[Trade Journal]
Publication: Verbatim Record of the Proceedings of the Temporary National Economic Committee
Washington, DC, United States
vol. 1, no. 7, p. 1,193-232,Appendix 25-28, col. 1-3
VERBATIM RECORD
of the
Proceedings of the
TEMPORARY NATIONAL
ECONOMIC COMMITTEE
VOLUME 1
December 1, 1938 to January 20, 1939
CONTAINING
Economic Prologue
Automobile Patent Hearings
Glass Container Patent Hearings
Presentation on Patents by Department of Commerce
Published 1939 by
THE BUREAU OF NATIONAL AFFAIRS, INC.
WASHINGTON, D. C.
·
·
Sixth Day's Session
_____________________
VERBATIM RECORD
of the Proceedings of the
Temporary National Economic Committee
Vol. 1, No. 7 WASHINGTON, D. C. Dec. 12, 1938
MONDAY, DECEMBER 12, 1938.
THE TEMPORARY NATIONAL ECONOMIC COMMITTEE MET AT 10:45 A. M. PURSUANT TO ADJOURNMENT ON TUESDAY, DECEMBER 6, 1938, IN THE OLD CAUCUS ROOM, SENATE OFFICE BUILDING, SENATOR JOSEPH C. O'MAHONEY PRESIDING.
PRESENT: SENATOR O'MAHONEY OF WYOMING, CHAIRMAN; SENATOR WILLIAM E. BORAH OF IDAHO.
REPRESENTATIVE HATTON W. SUMNERS OF TEXAS, VICE CHAIRMAN; B. CARROLL REECE OF TENNESSEE.
DR. ISADOR LUBIN, COMMISSIONER OF LABOR STATISTICS, REPRESENTING THE DEPARTMENT OF LABOR.
MR. THURMAN W. ARNOLD, ASSISTANT ATTORNEY GENERAL, REPRESENTING THE DEPARTMENT OF JUSTICE; WENDELL BERGE, SPECIAL ASSISTANT TO THE ATTORNEY GENERAL.
R. RICHARD C. PATTERSON, JR., ASSISTANT SECRETARY OF COMMERCE, REPRESENTING THE DEPARTMENT OF COMMERCE.
MR. EDWIN L. DAVIS, COMMISSIONER, REPRESENTING THE FEDERAL TRADE COMMISSION.
MR.JEROME N. FRANK, COMMISSIONER, REPRESENTING THE SECURITIES & EXCHANGE COMMISSION.
MR. LEON HENDERSON, EXECUTIVE SECRETARY OF THE COMMITTEE.
COUNSEL: H. B. COX (CHIEF COUNSEL); ERNEST MEYERS, JOSEPH BORKIN, BENEDICT COTTONE, DAVID CLARKE, and CHARLES L. TERRELL.
The CHAIRMAN. The committee will please come to order. Mr. Arnold, you have further proceedings to take place this morning?
Mr. ARNOLD. Yes, Mr. Chairman. I will introduce Mr. Cox to make a statement.
Mr. COX. Mr. Chairman and Members of the Committee: This morning the Department of Justice begins the presentation of material relating to the use of patents in the glass container industry. The patents involved cover machinery used to manufacture glass containers; the material presented is intended to disclose the relationship existing between those patents and competitive conditions in the industry.
ANTITRUST LAWS
It is important at the outset to emphasize the purpose for which this presentation is made. The Department has selected this material for presentation because it believes that the material throws light on problems which arise in connection with the enforcement of the anti-trust laws.
The public policy embodied in those laws rests on the assumption that the maintenance of a free and open market in which neither production nor price is subject to artificial limitations or control is socially and economically desirable. The patent privilege is a limited exception to that policy.
To the extent that the Department of Justice is interested in the patent law, its interest is confined to the question of the relationship between patent practices and the free and open market which it is the purpose of the anti-trust laws to maintain.
THE PATENT ISSUE
The Department is not concerned with the patent law as such or with the details of its administration. What is a good patent law, whether the present patent law fulfills its constitutional purpose, and what changes with a view to improvement could be made in its substantive or procedural provisions are questions with which this Department has no direct concern.
The Department asks that the committee in hearing this testimony bear in mind that there are two separate and distinct questions:
(1) Is the present patent law equitable and effective merely as a patent law? and
(2) What is the relation between the patent law and the enforcement of the antitrust laws?
It is the second question in which the Department is interested and it is to the second question that this hearing is addressed.
From time to time during the course of the hearing certain evidence may be adduced with respect to certain practices in connection with the administration of the patent law. In each instance, however, the Department presents this evidence because it believes that a direct and substantial relationship exists between the practice described and the enforcement of the antitrust laws. It does not present this evidence to criticize particular details of the patent law or its administration or with a view to suggesting at this time any changes in its provisions.
At this point in its presentation of material the Department takes no position with respect to the legality or the economic desirability of the practices which will be revealed by the testimony. Its only purpose now is to present the facts with respect to an industry in which patents are of the utmost importance and in which the restrictive use of these patents has had a substantial effect upon competitive conditions.
Two more matters, I think, should be briefly adverted to before the presentation of testimony begins.
The CHAIRMAN. May I interrupt you, Mr. Cox, to ask if I am correct in understanding the statement which you have just made to mean that the presentation of any evidence or testimony this morning does not necessarily mean that the Department of Justice believes that any of the practices which will be revealed involved a violation of the antitrust laws?
Mr. COX. I would not go that far. I would say that in presenting the testimony we are not taking any position in this hearing as to the legality. What opinion the Department might have in the course of the administration of its regular duties is quite another matter which I should prefer not to comment on now, with your permission.
The only point I make there is that we will not regard this hearing as being held for the purpose of trying violations of the antitrust law. If the Department believes those laws are being violated, it will try that condition somewhere else, is the point I wish to make.
"MANUFACTURE OF BOTTLES"
There are two other matters to which I wish to refer. From time to time, with regularity throughout the testimony, it is going to be necessary to refer to machines and certain technical processes used in the manufacture of glass. In the hope that it might make it possible for the committee and others to follow the testimony the Department has prepared this small pamphlet, entitled "The Manufacture of Bottles." It contains a brief description of the processes used in manufacturing glass, and certain figures and pictures which illustrate those processes. As the testimony develops, I shall try at appropriate times to refer to passages in the booklet which will make clear the testimony which is being given.
"GLASS CONTAINERS"
I also wish to make it clear that the testimony which we are going to hear relates to the manufacture of glass containers. It has nothing to do with plate glass or flat glass or window glass. It relates to containers, such as milk bottles, to the jars the housewife preserves fruit in, all the glass containers that food packers pack food in for distribution to the ultimate consumer, and all kinds of bottles.
If that fact is borne in mind, I think it will assist the committee, and others, to follow the testimony.
Mr. ARNOLD. That happens to be the major portion of the glass industry?
Mr. COX. That is correct, yes.
PATENTS AND MONOPOLIES
The CHAIRMAN. It may not be improper for me to remark at this point that, if I understand correctly the attitude of the members of the committee, their interest in the study of patents is primarily one which involves the use of the resources of the country. We are concerned to know whether or not the patent law as it now stands upon the books and the practices which are followed under it by any means restricts the maximum use of our resources.
Senator BORAH. Or tends to establish monopoly.
The CHAIRMAN. Or tends to establish monopoly. Right you are. You may proceed.
Mr. COX. The first witnesses will be Mr. F. Goodwin Smith and Mr. A. T. Safford. While we are waiting, I should like to have this book put into the record if I may.
The CHAIRMAN. If you desire; without objection, it is so ordered.
(The book referred to was received
in evidence and marked
"Exhibit No. 112" and is included
in the appendix of this issue)
The CHAIRMAN. Will the witnesses please be sworn? Do you solemnly swear that the testimony that you are about to give in this proceeding shall be the truth, the whole truth and nothing but the truth, so help you God?
Mr. SMITH. I do.
Mr. SAFFORD. I do.
TESTIMONY OF F. GOODWIN SMITH, PRESIDENT, HARTFORD EMPIRE COMPANY, HARTFORD, CONN.,
AND
A. T. SAFFORD, JR., SECRETARY AND COUNSEL, HARTFORD EMPIRE COMPANY, HARTFORD, CONN.
Mr. COX. Will you give the reporter your full name and address?
Mr. SMITH. F. Goodwin Smith, president, Hartford Empire Company, Hartford, Connecticut.
Mr. SAFFORD. Arthur T. Safford, Jr., Hartford, Conn.
Mr. COX. Mr. Smith, you are at present a member and director of the executive committee of the Hartford Empire Company?
Mr. SMITH. That is correct.
Mr. COX. Mr. Safford, you are the secretary of the company?
Mr. SAFFORD. That is correct.
Mr. COX. You are also a member of the bar of the State of Connecticut?
Mr. SAFFORD. That is correct.
Mr. COX. The principal office of the Hartford Empire Company is in Hartford, Connecticut?
Mr. SMITH. That is correct.
Mr. COX. It is a Delaware Corporation?
Mr. SAFFORD. A statutory office.
AUTOMATIC GLASS
MANUFACTURING MACHINES
Mr. COX. Does your company own patents and patent rights on automatic machinery used in the manufacture of glass? Is that correct?
Mr. SMITH. Correct.
Mr. COX. Can you tell us now how many patents of that kind the company owns today?
Mr. SMITH. Not exactly. I think we own possibly a little over 700. That can be checked.
Mr. COX. You have that figure. It is about 720.
Mr. SMITH. I am told it is 717.
Mr. COX. Do you manufacture any glass making machinery yourself?
Mr. SMITH. We have it built for us.
Mr. COX. You have it manufactured by someone else?
Mr. SMITH. Correct.
Mr. COX. You don't manufacture any glass containers yourself?
Mr. SMITH. We do not.
Mr. COX. The machinery which you have manufactured for you by someone else you license to others, is that correct?
Mr. SMITH. Correct.
Mr. COX. Retaining in each case the title to the machinery?
Mr. SMITH. Correct.
Mr. COX. You never sell any machines at all?
Mr. SMITH. No.
Mr. COX. In connection with those licenses you also perform certain services for your licensees.
Mr. SMITH. Correct.
PATENT ROYALTIES
Mr. COX. Would you say the largest part of the income from your company is derived from license fees and royalties from your patents?
Mr. SMITH. The largest part of our income is derived from royalties.
Mr. COX. That in fact runs as high as upwards of 90 per cent, doesn't it?
Mr. SMITH. I presume somewhere near there. I haven't figured it out exactly.
Mr. COX. How many people do you employ?
Mr. SMITH. About 300 people.
Mr. COX. And you have a plant at Hartford?
Mr. SMITH. We have an office, a large engineering office, drawing rooms, a little plant for spare parts, and in addition to that we have a glass plant which is used for research and development and experimentation.
Mr. COX. Just an experimental plant; it produces no glass?
Mr. SMITH. That is all. We develop our ideas and inventions in that plant. We do not sell any glassware.
Mr. COX. Do you have in your papers a copy of your balance sheet as of the end of December, 1937.
Mr. SMITH. Yes.
Mr. COX. You had total assets as of that date of about $11,000,000, is that correct?
Mr. SMITH. Correct.
Mr. COX. You also had a cash reserve of about $229,000.
Mr. SMITH. Yes, correct.
Mr. COX. Another item just labeled "cash," of seven hundred eleven some odd thousand dollars, is that correct?
Mr. SMITH. Correct.
The CHAIRMAN. May I interrupt, Mr. Cox. Mr. Smith, the acoustics in this room are abominable. If you can find it convenient to talk a little bit louder, I am sure the persons who are gathered here will hear more readily.
Mr. SMITH. I will be very glad to do so.
The CHAIRMAN. This is particularly asked on behalf of the newspaper men.
Mr. COX. Taking the machines that are involved in the automatic manufacture of glass, Mr. Smith, it is true, isn't it, that those machines, speaking generally, are the furnace, the feeding machine, the kneading machine and an annealing oven?
Mr. SMITH. Correct.
Mr. COX. Does your company hold patents on all of those machines?
Mr. SMITH. Yes.
EFFECT ON COMPETITION
Mr. COX. Now the automatic feeder, Mr. Smith, is a very important machine so far as the commercial production of glass is concerned.
Mr. SMITH. Correct.
Mr. COX. It would be impossible for a man who attempted to perform that process by hand in a plant to compete with one who used an automatic feeder, wouldn't it?
Mr. SMITH. In most lines of ware, the majority lines. There are still hand plants in existence.
Mr. COX. Those are for restricted items, such as expensive perfume and cosmetic bottles.
Mr. SMITH. Yes.
Mr. COX. As far as the great mass of glass containers is concerned, that kind of competition isn't possible.
Mr. SMITH. As far as the great mass of containers is concerned, they are made automatically by different processes.
Mr. COX. And your company, as you said a moment ago, holds patents on machines for the automatic feeding of glass.
Mr. SMITH. Correct.
PATENT MONOPOLY
Mr. COX. And now isn't it true, Mr. Smith, that so far as those machines and those patents are concerned, your company has virtually a monopoly on the patents which relate to that process?
Mr. SMITH. As far as those particular types are concerned, which are owned and developed, we have a monopoly as regards that particular type of machine. That is the monopoly which is given to us by the patent.
Mr. COX. In the first place, I would like to know a little more definitely what you mean by a particular type. Do you mean simply the so-called plunger feeder, or do you mean the gob feeder generally as distinguished from the suction feeder?
GLASSWARE PRODUCTION
Mr. SMITH. There are two economical means of producing glassware, which are the most economical. There are other means of producing glassware. There is the Owens suction machine which is an entirely different method from what Hartford developed, and there is the Hartford machine which is generally known or called a plunger feeder, and represents a method of gob feeding.
Mr. COX. So far as that plunger feeder is concerned, or in fact any kind of a feeder whose principle consists of having glass flow through an orifice and then being severed in suspension, your company has a monopoly, has it not, Mr. Smith?
Mr. SMITH. Well, we think we have covered by patents the particular devices which we license and lease. There are other old methods, screen feeding, and things of that sort, which we feel are not as economical as our methods. They can be generally used as seen fit by various people if they want to use them.
Mr. COX. Some of your patents would even cover the old stream-feed methods in some respects, wouldn't they?
Mr. SMITH. That I wouldn't know.
Mr. COX. I will develop that point later. Taking for a moment that stream-feed method of producing glass, there is only a limited kind of ware that that, could be used for, isn't that true, Mr. Smith?
Mr. SMITH. I wouldn't feel qualified to say.
Mr. COX. You feel you can't express an opinion.
Mr. SMITH. I would say it is not as good as our method.
Mr. COX. Except for the stream-feed method of feeding glass and the Owens suction method, can you think of any method on which your company doesn't have a patent?
Mr. SMITH. No, no known method that we are aware of.
PATENT LICENSES
Mr. COX. Of course you know, don't you, Mr. Smith, that the Owens Illinois Company, which has the patents on the suction method of feeding glass, has not been granted any new licenses since 1914?
Mr. SMITH. I wouldn't know it, no. It may be a fact.
Mr. COX . If I suggest that to you, and then ask this question, isn't it true that if a man wished to go into the business of producing glass and wished to get an automatic feeder, there is only one place in the United States that he can go to get that feeder, and that is your company, would you answer me in the affirmative?
Mr. SMITH. If he wanted to go into business and use gob feeding as a method for producing his ware, he would probably come to Hartford.
Mr. COX. He would have to come to you?
Mr. SMITH. If he wanted to use gob-feeding.
Mr. COX. The only other thing he could use really would be the suction method.
Mr. SMITH. He could go to the Owens Company and ask for a license.
Mr. COX. He would have to go to you or Owens?
Mr. SMITH. Or he could use the old methods or buy his way into the industry by picking up some plant that had a license.
Mr. COX. I am speaking about a man who doesn't want to buy his way into the industry but wishes to start himself with new capital and new plants.
Mr. SMITH. If he wanted to use our equipment he would have to come to us.
Mr. COX. He would have to get your equipment, wouldn't he, or the equipment of the Owens Company?
Mr. SMITH. If he wanted to use our process.
Mr. COX. If he wanted to use any process. There are only two that are available.
Mr. SMITH. Only two that are the most economical.
Mr. COX. And the reason you qualify that is because you have in mind the old stream feed, is that right?
Mr. SMITH. Right.
Mr. COX. So if I could demonstrate to you presently that some certain of your patents cover the stream feed, at least so far as it is now commercially practical to operate, that demonstration would leave us in a position where a man would have to come either to you or to Owens-Illinois if he wished to go into the business of producing glass. Mr. Smith. If that was demonstrated, yes, unless he produced glass by the hand method.
Mr. COX. Of course, if he were going to produce glass by hand he couldn't compete with anybody else producing it automatically. Can you tell us how much of the percentage of the total production of glass containers in this country your company licenses?
Mr. SMITH. About 66, 65 or 67 percent.
PRODUCTION OF GLASS CONTAINERS
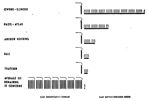
Mr. COX. I show you a sheet, rather the photostatic copy of a sheet, which was taken from your file headed "Memorandum to F. G. Smith, from Survey Statistical Department," and I point out to you that on that sheet the figures indicate that in 1937 your company licensed 67.4 per cent of all the glass containers produced in the industry. Do you believe that is correct?
Mr. SMITH. That is substantially correct.
Mr. COX. I also point out to you the same sheet shows that Owens, Illinois, produced in 1937 suction feeders 29.2 percent of all glass containers produced in the country.
Mr. SMITH. Owens suction here is 21 —
Mr. COX (interposing). I think you have that wrong.
Mr. SMITH. 29.2?
Mr. COX. That is correct?
Mr. SMITH. As far as I know.
Mr. COX. You are satisfied with the substantial accuracy of the figures?
Mr. SMITH. Yes, substantially correct.
Mr. COX. So that less than 3 per cent of the glass containers that are produced were produced in this country in 1937 by someone who is not a licensee of yourself or not a part of the organization of Owens, Illinois?
Mr. SMITH. I think it is around 2 something. Generally speaking, that is correct.
INTER-COMPANY RELATIONS
Mr. COX. I will now hand you and Mr. Safford copies of the chart which the Department has prepared, labeled "Major Inter-company Relations in the Glass Container Industry," I call your attention first to the three small circles on the extreme right, the first one marked "Alexander Kerr," the second "Obear-Nester Glass Company," and the third, "F. E. Reed Glass Company." Now I ask you if it isn't a fact that not one of those three companies is a licensee of the Hartford Empire?
Mr. SMITH. That is correct. We wish they were.
Mr. COX. But they are not?
Mr. SMITH. They are not.
Mr. COX. Can you tell us now whether there is any other company aside from the subsidiaries — I will withdraw that for the present.
I now call your attention to the companies which are shown at the end of the lines radiating from the Hartford Empire Company, and I ask you to glance over those and tell me if it is true that those companies are all licensees of your company. Perhaps Mr. Safford might do that.
Mr. SMITH. I assume you have the list.
Mr. COX. I assure you that is correct, they are licensees of your company. Now I ask you, Mr. Smith, whether there is any other company, aside from the subsidiaries of Owens, Illinois, which stand in a different category, besides the three companies on the extreme right, which is not a licensee of your company, that produces glass containers?
Mr. SMITH. I can't think of any other companies right now.
"INDEPENDENT" PRODUCERS
Mr. COX. You can't think of any others now, so that if we use the word "independent" company as meaning a company which is not a part of Owens, Illinois, or not licensed by Hartford Empire, to your knowledge there are only three such independent companies producing glass containers in the United States today?
Mr. SMITH. Correct.
Mr. COX. I call your attention to the fact that this chart also shows 40 per cent of the stock of the Hartford Empire Company is owned by the Hartford Machine Company. Is that correct?
Mr. SMITH. Correct.
Mr. COX. And that your company has a cross-license agreement with the Lynch Corporation?
Mr. SMITH. Correct.
Mr. COX. And also the Owens, Illinois, Corporation?
Mr. SMITH. Correct.
Mr. COX. Mr. Chairman, I should like to have this chart introduced in evidence now. I am aware that all of the relationships shown on the chart have not yet been proved, but I ask you to take it subject to proof, which I shall do later on. I should like to have it in. I think it would be convenient as a matter of record.
Representative SUMNERS. May I ask this question? Can't you stipulate without going into detail?
Mr. COX. The point is that these gentlemen are not at the moment probably able to testify or even to stipulate everything that is shown on there.
The CHAIRMAN. This chart was prepared by the Department of Justice from information secured from all of these companies, and particularly from the company represented by the witness here today?
Mr. COX. That is correct, and the other companies. Some of the things shown on the chart relate to the relationships between other companies and the industry, but it is correct to the best of our knowledge and belief, and I have no doubt we shall be able to establish it.
The CHAIRMAN. Unless there is some objection on the part of some member of the committee, the chart may be admitted. (The chart referred to was received in evidence and marked "Exhibit No. 113" and is printed on page 197).
Mr. COX. Of course, as far as particular lines of ware is concerned, Mr. Smith, it is true, isn't it, that your company licenses far more than merely 67 per cent of all production in this country?
Mr. SMITH. I don't know as I understand your question, Mr. Cox.
MILK BOTTLES; FRUIT JARS
Mr. COX. Take milk bottles, for example, what percentage of all the milk bottles produced in this country in a given year would you say are licensed by Hartford Empire?
Mr. SMITH. I would say most all of them.
Mr. COX. Practically all of the milk bottles are produced under license of Hartford Empire? What about fruit jars?
Mr. SMITH. There would be three companies making fruit jars.
Mr. COX. Would you say that an estimate of about 80 and 85 per cent of all the fruit jars in the country were produced under license by Hartford Empire?
Mr. SMITH. Somewhere near there.
Mr. COX. Somewhere in that neighborhood.
Now, packers' ware. For the information of the Committee, packers' ware includes all the kinds of jars that food products are packed in. That is correct, isn't it?
Mr. SMITH. Yes.
Mr. SMITH (interposing). That wouldn't know. I haven't looked it up.
PURPOSE OF PATENTS
Mr. COX. You testified a little while ago as to the number of your patents, Mr. Smith. I should like to ask you some questions as to the purpose of your company in taking out patents.
Representative SUMNERS. Mr. Cox, before you leave that do you purpose to develop at any time during the examination from any other witnesses as to how many of these different licensees are competing amongst themselves in the production of various particular sources of glassware? You have, for instance, I notice, the Ball Brothers fruit jars, and then a number of others. Are all these licensees licensed to produce any sort of glassware which they may want to produce, or are they licensed to produce particular sorts of glassware.
Mr. COX. They are not licensed to produce any sort of glassware they want to.
Representative SUMNERS. I don't want to interfere with your examination, but as one individual member of the Committee I wanted to go into that.
Mr. COX. I planned to go into it. I will do it now, if you prefer.
Representative SUMNERS. Not at all, sir.
Mr. COX. What would you say was the primary purpose of your company in taking out patents, Mr. Smith?
Mr. SMITH. To protect our inventions so that when our equipment comes into public use and somebody tries to copy or pirate or infringe it, we will have the right to go before the court to defend our rights.
Mr. COX. Now, to be sure that I understand that answer, you mean by that, do you, that you take out patents so that you can license or use the machines which your own patents cover without fear of infringement suits?
Mr. SMITH. To protect our invention.
Mr. COX. Is that the only purpose you have in taking out patents, Mr. Smith?
Mr. SMITH. 1 don't know of any other purpose, unless at times we will feel that in the future the trend of an industry may go this way or that way, and somebody comes along with an idea that may affect our future, if we think it is worth patenting it, we patent it.
Mr. COX. Those two statements are your considered answer to my question, are they, Mr. Smith?
Mr. SMITH. It is what I believe.
Mr. COX. Now, Mr. Smith, I am going to hand you a photostatic copy of a document dated February 18, 1930, which was removed from your files, and I am going to ask you if you know who prepared that document. It is not signed.
Mr. SMITH. I think that memorandum was written by Mr. Herbert Knox Smith.
Mr. COX. Will you tell us briefly who Mr. Herbert Knox Smith was?
Mr. SMITH. Herbert Knox Smith for a number of years was here in Washington, a Commissioner in the Department of Commerce, I think — Commissioner of Corporations. He then returned to Hartford and joined our organization and handled our legal matters outside of patent matters.
Mr. COX. How long was he connected with the corporation?
Mr. SMITH. At first, in the early days, I think it was probably around '18 or '17, I have forgotten exactly, he gave us part of his time, and as the company commenced to grow he gave it practically all of his time.
Mr. COX. He was very active in the company's affairs, then?
Mr. SMITH. As regards our legal matters, yes, very.
Mr. COX. And have a voice in determining the company's policy sometimes?
Mr. SMITH. Yes.
PATENTS ON MACHINES
Mr. COX. Mr. Smith, I am now going to call your attention to a statement contained on page 17 of this memorandum, if you will find page 17. The heading there is, "The Main Purpose In Securing Patents." Do you see that, Mr. Smith?
Mr. SMITH. Yes.
Mr. COX. It then reads as follows: "In taking out patents we have three main purposes: (a), to cover the actual machines which we are putting out, to prevent duplication of them." Stopping there, that, as I understood it, was the answer you gave a moment ago. It then goes on to say, "The great bulk of our income results from patents, being a feeder protected by patents," and so forth. I am not going to read that at the moment. Now I call your attention to (b , which is the second main purpose stated in securing patents: "To block the development of machines which might be constructed by others for the same purpose as our machines, using alternative means.
I would like to ask you exactly what you meant by that.
Mr. SAFFORD. That is not Mr. Goodwin Smith's testimony.
Mr. COX. I am aware of that, but I assume the memorandum is an accurate statement of the company's policy.
Mr. SMITH. I don't happen to remember the memorandum. I don't know that was considered, but I think I can answer your question.
Mr. COX. I would like to straighten one up this thing. This may be Mr. Smith's out.
Mr. GOODRICH (of counsel for witness). He doesn't need an out.
Mr. COX. Is it your policy to take out patents to block the development of machines which might be constructed for the same purpose as your machines?
Mr. SMITH. Only in so far as to protect our own machines.
Mr. COX. There is no qualification of that kind in that memorandum, is there?
(Exhibit No. 113)
MAJOR INTER-COMPANY RELATIONS IN THE GLASS CONTAINER INDUSTRY
![]() |
This chart indicates the more important relationships in the glass container industry. The circles on the left side of the chart represent the plants of Owens-Illinois Glass Co., the largest manufacturer of glass containers. This company has an agreement with Hartford-Empire Co., expressed in successive cross-license contracts of 1924, 1932, and 1935. The circles on the right side of the chart represent other companies manufacturing glass containers which are licensees of Hartford-Empire Co. Those on the extreme right represent manufacturers of glass containers who are not licensees of Hartford-Empire Co.
The circle in the upper center of the chart represents Houghton Associates, Inc., a holding company owning 40 per cent of the stock of Corning Glass Works, which manufactures specialty glass products under license from Hartford-Empire Co. Stockholders of Corning Glass Works own 90 per cent of the stock of the Empire Machine Co., a holding company for glass-machinery patents, which in turn owns 40 per cent of the stock of the Hartford-Empire Co. The latter licenses Corning Glass Works as well as some 30 glass-container manufacturers, under its extensive glass-machinery patents. Corning Glass Works and Owens-Illinois Glass Co. each own a one-half interest in Fiber-glass Corporation, a company recently organized to develop glass wool. In the lower center of the chart is a circle representing Lynch Corporation, the largest manufacturer of glass-forming machinery. It has a cross-license agreement with both Hartford-Empire Co. and Owens-Illinois Glass Co.
Owens-Illinois Glass Co. and the other licensees of Hartford-Empire Co. manufacture approximately 96 per cent of all glass containers produced in the United States, while the independents indicated on the extreme right of the chart produce about 4 per cent of the total.
LOCATION OF THE COMPANIES ON THE CHART
Anchor-Hocking Glass Corp., Lancaster, Ohio.
(Anchor Cap & Closure Co., Long Island City, N. Y.).
(Capstan Glass Co., Connellsville, Pa.).
(General Glass Corp., Lancaster, Ohio.).
(Hocking Glass Corp., Lancaster, Ohio.).
(Salem Glass Works, Salem, N. J.).
Ball Brothers Co., Muncie, Indiana.
(Three Rivers Glass Co., Three Rivers, Tex.).
Brockway Glass Co., Inc., Brockway, Pennsylvania.
Buck Glass Co., Baltimore, Maryland.
Capstan Glass Co., Connellsville, Pennsylvania.
(Now part of Anchor-Hocking Glass Corp.).
Carr-Lowrey Glass Company, Baltimore, Maryland.
Chattanooga Glass Co., Chattanooga, Tenn.
Connelly Glass Co., Caney, Kan. (idle).
Corning Glass Works, Corning, N. Y.
Diamond Glass Company, Royersford, Penn.
Fairmont Glass Works, Indianapolis, Ind.
Florida Glass Mfg. Co., Jacksonville, Fla.
Foster-Forbes Glass Co., Marion, Ind.
Gayner Glass Works, Salem, New Jersey.
General Glass Corp., Lancaster, Ohio.
(Now part of Anchor-Hocking Glass Corp.).
Glass Containers, Inc., Los Angeles, California.
Glenshaw Glass Co., Inc., Glenshaw, Pennsylvania.
J. T. & A. Hamilton Co., Pittsburgh, Pennsylvania.
Hart Glass Mfg. Co., Dunkirk, Indiana.
Hartford-Empire Company, Hartford, Connecticut.
Hazel-Atlas Glass Co., Wheeling, W. Va.
Hocking Glass Co., Lancaster, Ohio.
(Now part of Anchor-Hocking Glass Corp.).
Alexander H. Kerr & Co., Huntington,West Virginia, Sand Springs, Oklahoma.
Knape-Coleman Glass Co., Santa Anna, Texas.
(Now part of Liberty Glass Co., Sapulpa, Okla.)
Knox Glass Associates, Inc., Oil City, Pennsylvania.
(Knox Glass Bottle Co., Knox, Pa.)
(Knox Glass Bottle Co. of Miss., Pearl City, Miss., Jackson, Miss.)
(Marienville Glass Co., Marienville, Pa.).
(Metro Glass Bottle Co., Jersey City, N. J.).
(Oil City Glass Bottle Co., Oil City, Pa.)
(Pennsylvania Bottle Co., Sheffield, Pa.)
(Wightman Bottle & Glass Mfg. Co., Parkers Landing, Pa.)
Lamb Glass Co., Mt. Vernon, Ohio.
Latchford Glass Co., Los Angeles, California.
Laurens Glass Works, Laurens, South Carolina.
Liberty Glass Co., Sapulpa, Oklahoma.
Lynch Corporation, Anderson, Indiana.
Maryland Glass Corp., Baltimore, Maryland.
Maywood Glass Co., Los Angeles, California.
Northwestern Glass Co., Seattle, Washington.
Obear-Nester Glass Co., East St. Louis, Illinois.
Owens-Illinois Glass Co., Toledo, Ohio.
Location of plants:
Alton, Illinois.
Bridgeton, New Jersey.
Charleston, W. Va.
Chicago Heights, Ill.
Clarion, Pennsylvania.
Clarksburg, W. Va.
Columbus, Ohio.
Evansville, Indiana.
Fairmont, W. Va.
Gas City , Indiana.
Glassboro, New Jersey.
Huntington, W. Va.
Los Angeles, Calif.
Oakland, Calif.
San Francisco, Calif.
Streator, Illinois.
Terre Haute, Indiana.
Pierce Glass Co., Port Allegany, Pennsylvania.
F. E. Reed Glass Co., Rochester, NewYork.
Salem Glass Works, Salem, New Jersey.
(Now part of Anchor-Hocking GlasCorp., Lancaster, Ohio.)
Sterling Glass (Division of The Warfield Co.), Lapel, Indiana.
Swindell Brothers. Baltimore, Maryland.
Thatcher Manufacturing Co., Elmira, New York.
Three Rivers Glass Co., Three Rivers Texas.
(Now part of the Ball Brothers, Muncie Ind.)
Tygart Valley Glass Co., Washington Pennsylvania.
Universal Glass Products Co., Parkersburg, West Virginia.
Whitall-Tatum Co., Millville, New Jersey
(Now a division of Armstrong Cork Co., Lancaster, Pa.)
Mr. SMITH. Not as it reads.
Mr. COX. You mean you only take out a patent to block the development of some other patent when you are afraid somebody else is going to sue you?
Mr. SMITH. No; I am not cognizant of any such purposes or any such means. If we think that a new idea might be developed over a course of the year by someone else, and we think that idea may affect our machinery and our licensee, we may from time to time try to protect that idea.
Mr. COX. Regardless of whether you intend to commercially apply the idea yourself or not?
Mr. SMITH. You can never tell when you are going to commercially employ ideas. The scene shifts every year or two or three years. Let me give you an example. Today we are spending quite a lot of money on a research development which will be partially and quite well covered by a patent which was taken out in1934. At that time we thought it might have some possibilities; then all of a sudden, in 1937, something transpires that makes that patent a very valuable patent, we hope, one that will be of great benefit to the trade at large when it is put in a process form. You just can't tell when a thing is going to be good and when it is going to be bad. An inventor never knows when or how, or how long it is going to take his invention to be proved of value. It may never be of any value ; it may be of great value. You just can't tell.
PATENTS AS "BLOCKING"?
Mr. COX. When you take out a patent to an invention to block the development of machines which might be constructed by others for the same purpose as yours, using alternative means, isn't it a fact that you are more interested in preventing the use of that device by someone else than you are in using it yourself?
Mr. SMITH. No, I don't think so. So long as I have been with the company I am not conscious of any policy of definitely, deliberately, going out and blocking people. We do take patents out and have a number of additional patents, so that we are protecting and may protect our main development of machinery.
Mr. COX. When you say "protect the main development of machinery" don't you mean to prevent someone else from developing a machine which will accomplish the same purpose, using alternative means?
Mr. SMITH. I don't know if you would say that was wholly so. If we felt that a machine might be improved, we will say, or somebody else might make improvements on our machine, we try to stop and figure out what those improvements might be, and we cover them as soon as we can by patents.
INCOME FROM ROYALTIES
Mr. COX. Of course, about 90 per cent of your company's income is derived from royalties under your licenses.
Mr. SMITH. Correct.
Mr. COX. So that anyone who perfects a machine which will accomplish the same purpose that your feeders or other glass machinery accomplish, and obtains a patent on that, is in a position to strike ablow at your income.
Mr. SMITH. He is in a position to possibly affect our income or to affect our licenses.
Mr. COX. He would affect your income, would he not?
Mr. SMITH. If he had a process that was efficient, one that we didn't have, yes. He could naturally do business. There is no market on ideas and inventions.
Mr. COX. And of course you are interested in preventing that kind of result, aren't you.
Mr. SMITH. Yes, normally interested naturally.
Mr. COX. And is that one of the reasons why you take out patents on devices you don't intend to put into commercial operation.
Mr. SMITH. I wouldn't say that was so, Mr. Cox. You had better ask our patent attorneys. It is a very difficult thing for me to answer your question "yes" or "no." We naturally have a big investment in our equipment. We spent a lot of money in developing it. We are looking for a return on that investment. As we put that out, if one of our engineers should come to us and say, "Well, now, here is something that might help," or if somebody else thought of this idea first it might cost us some money, naturally we file an application on that and hope to get a patent.
The CHAIRMAN. You maintain a research bureau?
Mr. SMITH. We do.
DEVELOPMENT COSTS
The CHAIRMAN. For the purpose of keeping abreast or perhaps a little ahead of the procession [sic] procession.
Mr. SMITH. And at all times being in a position to give our licensees the most efficient equipment, because otherwise they would go out of business.
The CHAIRMAN. But so far as you are concerned yourself, your desire is to get the new improvements first and get them patented first.
Mr. SMITH. Then comes a long development process, costing a great deal of money. Naturally we are out to get some return on our money.
The CHAIRMAN. So in order to protect the inventions you now have it is naturally in your interest to secure whatever hold you can upon any competing idea or competing machinery.
Mr. SMITH. Correct.
Mr. COX. Not always with a view to using those ideas immediately, Mr. Smith?
Mr. SMITH. Yes and no. Sometimes yes, we do use them; sometimes we don't.
Mr. COX. You would take out a patent if it would protect you against a competing machine even though you didn't intend to use it right away, wouldn't you?
Mr. SMITH. I just don't know.
"AIR FEEDER" PATENTS
Mr. COX. Now, Mr. Smith, let's consider this for a moment. You know, of course, what the difference is between an automatic feeder which works with a vertical reciprocating plunger in the orifice, and one that works by air pressure, don't you?
Mr. SMITH. I know there are those two different types.
Mr. COX. And the Hartford feeder, which you produce , has been a reciprocating plunger feeder?
Mr. SMITH. Primarily so.
Mr. COX. Have you ever caused to be manufactured by you and licensed to anyone any feeders which worked by the air pressure method?
Mr. SMITH. I think we have quite a few licensees who still use the air pressure.
Mr. COX. What I am interested in is whether they got them from you or from someone else.
Mr. SMITH. We didn't build and putout as a standard thing an air feeder, if that answers it.
Mr. COX. You don't do it at all, do you? You don't build and put out, and never have, and licensed it?
Mr. SMITH. Never have built, no.
Mr. COX. All these air feeders your licensees are using now are licensed and bought in the first instance from someone else?
Mr. SMITH. I think, that is correct, substantially.
Mr. COX. Yet you have patents on air feeders.
Mr. SMITH. That is true.
Mr. COX. And you sue people who are using air feeders in their business, even though you have no intention at the present time of developing or commercially supplying an air feeder.
Mr. SMITH. We did develop in the early days an air feeder. I think Mr. Peiler could give you that history. I think it would be quite enlightening for the Committee if they heard how we came into being, and in those early days, as I remember it, Mr. Peiler did develop an air feeder and then chose between the air feeder and the plunger feeder.
Mr. COX. Since that choice you have adhered to the plunger feeder, so far as your own commercial development?
Mr. SMITH. Quite correct.
Mr. COX. Yet you have sued people for infringement on the air feeder. Isn't that a case where you have been using a patent to block the development of machines constructed by others for the same purpose as your machines, which use an alternative method? You have no interest in an air feeder so far as commercial development is concerned?
PROTECTING PATENT RIGHTS
Mr. SMITH. Now, Mr. Cox, I am not a patent attorney. I can give you this picture. If we have patents covering two types of feeders and we choose to say that this type is the better of the two, that is what we license, and I see no reason why, if we have patents covering the other type of feeder, namely the air feeder, we shouldn't take advantage of those patents and protect our rights.
Mr. COX. You mean your rights under the patents, even though you are not using that patent for the purpose of producing feeders and licensing them to others?
Mr. SMITH. Yes.
Mr. COX. You are protecting your rights there really for the purpose of protecting your revenue from your other patents. Is that correct?
Mr. SMITH. Not entirely.
Mr. COX. You know, don't you, and I suppose you have seen it, of the provision in the Constitution which makes it possible for the Federal Government to enact patent laws?
Mr. SMITH. I know there is such a provision.
Mr. COX. Do you know that the tenor of the provision is that Congress shall have power to enact such laws for the purpose of promoting the progress of science and useful arts. You have heard that phrase, "science and useful arts"?
Mr. SMITH. I have.
Mr. COX. Mr. Smith, do you think the use which you make of those patents of yours on air feeders is a use which does promote science and the useful arts?
Mr. SMITH. I would say yes, because they are our original inventions, and I see no reason why, if we choose one type of machine, we still shouldn't protect ourselves on the other.
Mr. COX. Someone else using those machines might develop the machines toa place where they were greatly improved, might he not?
Mr. SMITH. I suppose that might be so.
Mr. COX. Yet you prevent anyone else from attempting or undertaking that kind of enterprise?
Mr. SMITH. No, not deliberately.
Mr. COX. You do if you sue him for infringement and get an injunction.
Mr. SMITH. We sue for infringement because we think people have either copies or are using our rights without legal permission.
Mr. COX. The upshot of that position is this, isn't it, that there is only one person, according to your view, who has aright to use or develop an air feeder, and that is your company, and you are not interested in doing it on a commercial scale.
Mr. SMITH. We would be if we thought the air feeder was more efficient than the plunger feeder.
Mr. COX. You decide that question for the people who want to use the air feeder, don't you?
Mr. SMITH. I don't think so. We have licensed air feeders. I think there are quite a number of feeders operating today that are air feeders.
Mr. COX. I am sure of that, but again I suggest to you that each of those air feeders which you have licensed is a feeder which was manufactured by someone else, licensed or sold outright to a glass manufacturer, and then, by virtue of circumstances which I hope to develop in this hearing, that manufacturer found himself in a position where he had to take a license from you to cover that feeder, even though you have never manufactured the feeder and he had never had any relationship with you before the time he took the license. Those aren't feeders you built yourselves and licensed to the glass manufacturers. I am talking about the things you do yourself.
Mr. SMITH. Now, if that manufacturer infringes on our rights and a court so held, we would give him his choice, and have so done, either to use an air feeder or to use a plunger feeder, whichever he thought was most efficient for his type of business.
Mr. COX. But if he wanted to use the air feeder, he has to pay royalty to you.
Mr. SMITH. Quite right. If he wants to use the air feeder which the courts have said is our property, why then he has to pay royalty to us.
Mr. COX. Now, Mr. Smith, I want to call your attention to the second paragraph, under (b), in this memorandum on page 17, which reads in part as follows: "We have in mind such machines as....." I just want to ask you to look, Mr. Smith, at the feeder name in the first paragraph under (b) on page 17.
Mr. SMITH. Those are all suction machines.
Mr. COX. I call your attention to that because a little while ago you spoke about the stream feeder not being covered by your patents. This suggests to my mind. that perhaps you did take out some patents which covered the improved stream feeder.
Mr. SMITH. I couldn't answer. It might be so and might not.
"FENCING IN" PATENTS
Mr. COX. I now want to call your attention to (c) on the next page of this memorandum, which is the third primary reason stated here. That reads, "To secure patents on possible improvement of competing machines so as to 'fence in' those and prevent their reaching an improved stage."
As I understand that statement, Mr. Smith, and I assume that it represents the policy of your company, it means, in some cases you secure patents on devices which are merely improvements on devices which are covered by patents held by someone else. Is that correct?
Mr. SMITH. That is not a corporate policy.
Mr. COX. Are you repudiating this memorandum, Mr. Smith?
Mr. SMITH. As a corporate policy, or as ever having this memorandum come before the board of directors, or as having been approved as a statement of our entire policy, I am.
Mr. COX. You told us a little while ago Mr. Smith was a man who had been with the company for many years and was active in its affairs. Would he seriously state in his memorandum, "intaking out patents we have three main purposes" when that was not the case?
Mr. SMITH. I don't know how that memorandum was written or why. I do happen to remember that I have seen a copy of it and read it, at the time it was written.
When we come to the question of deliberate policy or setting engineers to work to prevent others from getting certain things, that isn't a corporate policy. There are a great many times when an inventor will come in and say, "Now I have this idea or that idea," and it will encompass part of some other machine and we do file application and get together a patent.
Mr. COX. Then you want us to understand now that when you do that you don't do it for the purpose of fencing in the other man's invention and preventing it from reaching an improved stage?
Mr. SMITH. I don't like the words "fencing in."
Mr. COX. It is not my word, Mr. Smith.
Mr. SMITH. We do that off and on as the occasion arises.
Mr. FRANK. Would you consider it improper for you to adopt the policy indicated in paragraph (c)?
Mr. SMITH. I don't think we would deliberately go out and spend our time and money in a fencing in policy.
Mr. FRANK. My question is not whether you have done so, but whether you would consider it improper to do so.
Mr. SMITH. No, I think you have to protect your large investments; you have to protect your licensees. If you don't protect your licensees, they can't stay in business.
Mr. FRANK. Well, whether that has been your policy or not, you wouldn't consider it improper for your company to adopt such a policy?
Mr. SMITH. No.
Mr. COX. That would be because you think it is necessary to protect your licensees?
Mr. SMITH. In so far as that policy protects our investment, protects our licensee, we would say it is all right.
PROTECTION TO LICENSEE
Mr. COX. Just how does that policy protect the licensee?
Mr. SMITH. The licensee looks to us to continually improve the equipment that he is using, to take certain machines and add things to them, to increase his fee, to better his quality, to help in the glass furnace troubles, to enter in and show him how to make bottles at the lowest possible cost, to give him the advantage of what we find in other plants and how they are operating, to at all times keep him in a competitive situation; otherwise, he can't live.
Now, if we saw over in one corner something that we thought was desirable, even though it was going to head off somebody else, and we should be the first to invent that and get a patent on it that is going to assist us by protecting us or help our licensee, we would so do it.
Mr. COX. Isn't it possible, Mr. Smith ,that if you didn't fence in someone else's invention, he might invent a device which your licensee could use?
Mr. SMITH. I suppose that is possible, but I don't think the invention would beat all basic or original.
Mr. COX. Well, it is really not necessary for the protection of your licensees for you to stifle inventions on the part of everyone else.
Mr. SMITH. I am not conscious of the fact that we have a policy that wants to stifle. We have a policy that wants to protect what we are doing and wants to insure our licensees of the best possible means of producing glassware at the lowest cost.
PERIOD OF LICENSES
Mr. ARNOLD. May I get that a little clearer in my own mind, Mr. Smith? Your licenses — I don't know how long they run —
Mr. SMITH (interposing). They run, some of them, eight years, with a renewal, and some of them for the life of the patent.
Mr. ARNOLD. That is contract which your licensee has and which you have against the licensee?
Mr. SMITH. Right.
Mr. ARNOLD. Now, if a new development should occur so that another machine could compete with that machine which you have licensed, then both you and the licensee would be in a disadvantageous position because of that new competition.
Mr. SMITH. Right. We would probably go out of business because the licensee could cancel his contract with us. He could use the new development, the new process, and our income would cease.
Mr. ARNOLD. Therefore, to protect that eight-year-license is not necessarily not because you are anxious to stifle inventions, but to protect your own income it is necessary for you to fence in and stop this new machine from developing. Have I put it too —
Mr. SMITH (interposing). I think you have put it a little too strongly. I think I would say part of it is true, in so far as we protect ourselves, protect our future, and protect our licensee.
The CHAIRMAN. Let me put it this way: You do watch these competing machines, do you not?
Mr. SMITH. Yes, we do.
The CHAIRMAN. And in your research laboratory you study them for the purpose of developing improvements upon them?
Mr. SMITH. Right .
The CHAIRMAN. And if you do develop an improvement upon a competing machine, that thereby enables you to extend your influence, let me say, your contractual relationship, over the competing machine or those who use it. A competitor could not use any of the improvement.
Mr. SMITH. That depends upon what the improvement is, the effect of it ,whether it is incidental, or whether it is major.
EFFECT OF NEW INVENTIONS
The CHAIRMAN. Naturally, it depends upon the importance or unimportance of the improvement. Let us assume that a very valuable improvement has been discovered simultaneously, or thereabouts, by the competing company, which is operating a competing machine, and you likewise developed one about the same time, then a conflict arises immediately, does it not, whether or not that improvement may be used without payment of royalty to you?
Mr. SMITH. Well, what would happen as a practical matter would probably be the stoppage on the part of both of us. The competitor might have 60 per cent of the value of the invention and we might have 40, or vice versa, or some other percentage. Neither of us could go out because he would sue us, and if he went out, we would sue him, so it would probably mean that we cross-license.
The CHAIRMAN. Well, you are engaged in the business of inventing and patenting and you do this for the purpose of collecting license fees and royalties primarily?
Mr. SMITH. Correct.
The CHAIRMAN. So you watch the entire industry, and if you can extend the influence by means of invention over competing industries, you are going to do it because it means money to you.
Mr. SMITH. Correct, and also it keeps our licensee in a competitive situation.
The CHAIRMAN. So the incidental effect upon the development of science and arts — it is only an incidental effect so far as you are concerned. Mr. Smith. Perhaps I don't quite understand that question.
The CHAIRMAN. I mean your primary consideration is to make license fees and royalties out of these inventions?
Mr. SMITH. Right.
The CHAIRMAN. And you are willing to suppress the competition for that purpose, to fence it in? Well, I don't want to ask —
Mr. ARNOLD (interposing). Taking what your personal policy is out of this, the total situation illustrated by this picture is one in which whoever sits in your seat is under very strong pressure to protect his licensees by preventing competition in machines from arising, isn't it?
Regardless of who sits there that pressure exists?
Mr. SMITH. I think that generally maybe it.
Mr. FRANK. I would like to make a differentiation —
Senator BORAH (interposing). Let me make a suggestion. I think Mr. Cox ought to be permitted to develop his case.
The CHAIRMAN. The Senator is correct . That has been the policy formerly announced , and we have all been violating it, and we will refrain, Mr. Cox.
Mr. COX. That is quite all right with me. Two or three things have been developed in this which I should like to go into, and particularly Mr. Arnold's last question. Mr. Smith, I am interested in that, because I wonder to just what extent your licensees are interested in preventing the development of a new device even by someone else which would enable them to produce, which could be used to produce glass. Isn't it true that your licensees are all engaged in producing and selling glass containers?
Mr. SMITH. Correct.
Mr. COX. And let's assume for the moment that their primary interest is in producing and selling glass containers, and that as far as they are concerned, they will use any kind of machinery which will enable them to produce and sell glass containers, good glass containers at a good price, at which they can make a profit if they can get that machinery. Why wouldn't they be as content to get the machine or device from someone else as from you?
Mr. SMITH. You see, Mr. Cox, people that pay us royalties look upon us as the engineering and development and research concern that is going to develop machinery for them, that is going to keep them abreast of the times. They can't afford to spend large sums of money each year in research work, or development work, but they look to Hartford to take part of their royalties and spend money in the development work, glass compositions, anything that affects vitally the whole industry.
Mr. COX. Do you think that part of the royalty money, at least that is paid to you, you take — I don't want to use too strong a word — in sort of a trust to use for development and experimental purposes?
Mr. SMITH. There is no question but that we have a deep sense of obligation to protect our licensees, to keep them in business, to continually reduce their cost and give them the most efficient equipment.
Mr. COX. You feel that is almost a fiduciary responsibility.
Mr. SMITH. No, I don't think it is that, but I think it is just decent business ethics.
Mr. COX. Do you think that they would feel that they hadn't had their money's worth if somebody else would perfect an invention that would enable them to produce glass more efficiently than yourself?
Mr. SMITH. I am quite sure if anybody else came along with an invention or process that was more economical than our process, that our licensees would cancel their contracts with us and install the most efficient process.
Senator BORAH. That would be competition.
Mr. SMITH. You can't help that, Senator. We have no monopoly on brains.
Mr. COX. You have a monopoly on some other things, though.
Well, isn't it a fact, really, Mr. Smith, that the important thing in this picture so far as this "fencing in" is concerned, is 90 per cent of your income which comes from royalties and not the feelings of your licensees?
Mr. SMITH. I couldn't answer that question.
Mr. COX. You feel you can't answer that question.
Mr. SMITH. I don't know what each individual licensee feels. I know that some of them feel that contact with us, the service we give them, is worth more than the royalties they pay. Some others might not.
Mr. COX. I was rather more interested in what you felt than what they felt. I was really inquiring whether in following this policy, your eye wasn't on the 90 percent of your royalties rather than on the feelings of your licensees.
Mr. SMITH. No, I think the sound policy, looking ahead, of any business is based primarily on the fact that you must serve your customers, and if you don't serve them you don't stay in business.
Mr. COX. Well, your customers would have a little difficulty going anywhere else, wouldn't they, Mr. Smith?
Mr. SMITH. Until there is something new comes on the market that is better than what we have.
Mr. COX. There isn't any place for them to go now, that is what I mean?
Mr. SMITH. They can go to suction.
Mr. COX. Well, if they went to suction you would sue them.
Mr. SMITH. I don't know why.
Mr. COX. You are suing some people who are using suction.
Mr. SMITH. Not to my knowledge.
Mr. SAFFORD. What you refer to is not a suction machine.
Mr. COX. I withdraw that. The only place they could get a suction machine would be from Owens.
Mr. SAFFORD. Not necessarily.
Mr. GOODRICH. I think Mr. Parham can give all the details of that.
Mr. COX. Except for the suction machine there is no place for them to go.
Mr. SMITH. Not to get the most modern equipment, or the most efficient.
Mr. PATTERSON, Let me ask, the patents in the suction machine have not expired, have they?
Mr. SMITH. The old original fundamental, basic patents have expired and if you and I wanted to go into business tomorrow we could build a suction machine under those original patents, or just the same kind of machine that was originally covered by those patents.
Mr. COX. It is true, isn't it, Mr. Smith — and perhaps we could get Mr. Parham to answer informally — that the machines now used by Owens, the suction machines, the improved machines, are covered by patents.
Mr. PARHAM. I understand you can build thoroughly good machines, if you happen to know how, under the old patents. That is my understanding.
Mr. COX. Mr. Chairman, I am about to start on a new topic. Is it your practice to adjourn at noon now or do you wish to go on?
The CHAIRMAN. I think probably, unless there is objection, it would be well, if you have finished this line of examination, to take a recess until 2:00 o'clock.
(Whereupon, at 11:55 a. m., a recess was taken until 2 p.m. of the same day.)
The Committee resumed at 2:05 p. m. on the expiration of the recess.
Present in addition to those previously listed:
SENATOR WILLIAM H. KING of Utah; MR. HERMAN OLIPHANT, General Counsel, representing the Department of the Treasury.
The CHAIRMAN. The Committee will please come to order. Are you ready to proceed, Mr. Cox?
Mr. COX. Yes, I am, sir.
The CHAIRMAN. You may, then.
TESTIMONY OF F. GOODWIN SMITH, PRESIDENT, AND OF A. T. SAFFORD, SECRETARY AND COUNSEL, HARTFORD EMPIRE COMPANY, HARTFORD, CONN. — (Resumed).
Mr. COX. Mr. Smith, a few questions about the Hartford Empire Company which I didn't ask this morning I would like to ask now. Will you indicate briefly what the capital set-up of your company is? I mean, what kinds of stock you have outstanding. If you prefer, I will have Mr. Safford do this.
Mr. SMITH. It is common stock, par value.
Mr. COX. Any preferred stock?
Mr. SMITH. None outstanding.
Mr. COX. No bonds?
Mr. SMITH. No.
Mr. COX. Is your stock listed on any of the exchanges?
Mr. SMITH. It is not.
Mr. COX. Is it a widely held stock?
Mr. SMITH. No.
Mr. COX. Do you publish periodically your balance sheet?
Mr. SMITH. We do not.
Mr. COX. Do you file a financial report either in the State of Connecticut with any State authority, or in the State of Delaware with any State authority?
Mr. SAFFORD. Only for tax purposes.
Mr. COX. Can you tell us in a very brief way what kind of statement that is?
Mr. SAFFORD. For Connecticut it is the tax required under their business tax law, and I think it gives the balance sheet and the income statement as sent to the United States Treasury.
Senator KING. I suppose you file the Federal tax report in addition to the ones to the State.
Mr. SAFFORD. Yes, sir.
Mr. COX. Do you know whether you file a similar report in the State of Delaware or not?
Mr. SAFFORD. It is not required.
Mr. COX. Aside from those, whatever may be contained in your return to the State of Connecticut and the return which you file with the Department of Internal Revenue of the Treasury Department here, there is no disclosure of your balance sheet or your income statement. Is that correct?
Mr. SAFFORD. That should be qualified further; that is, in each State where the corporation is qualified to do business there are certain tax reports which you must file.
Mr. COX. Will you tell us in how many States your corporation is qualified to do business.
Mr. SMITH. Seven or eight.
Mr. COX. And in those States you file whatever reports are required to be filed by law?
Mr. SAFFORD. Yes.
Dr. LUBIN. Do any of the States make those reports public?
Mr. SAFFORD. I don't think so, Dr. Lubin.
Mr. COX. No statement with respect to your company is contained in Moody's or Poor's or any of the other financial reports?
Mr. SAFFORD. No, sir.
Senator KING. Do the States treat your reports differently from reports filed by corporations doing business within a State?
Mr. SAFFORD. I think it puts us all in the same category. I think the figures are all confidential with the departments with which they are filed.
Senator KING. Who imposes confidentiality, if you permit that expression?
Mr. SAFFORD. It is under the statutes, sir, of the respective States.
Senator KING. You conform with the State practice and the State officials follow the State requirements?
Mr. SAFFORD. Yes, sir.
Senator KING. So if they are treated as confidential is it at your request or in pursuance of the law which the State officials follow?
Mr. SAFFORD. It is in pursuance of the law which the State officials follow.
PATENT LICENSES
Mr. COX. Now, Mr. Smith, I would like to ask some questions about the licenses under which your patents are used. You said this morning that you had patents on the feeding machines, the forming machines and the lehr or annealing machine, and I assume in the case of each of those machines, when your company licenses under the patent which applies to the machine, you retain title. Is that correct?
Mr. SMITH. That is correct.
Mr. COX. Do you have any patents on glass furnaces?
Mr. SMITH. We have.
Mr. COX. Did you ever license a glass furnace?
Mr. SMITH. We have not as yet.
Senator KING. Have you declined?
Mr. SMITH. No; we haven't the experiments completed.
Mr. COX. So that in the case of a man who licensed from you feeding machines and his forming machines and the lehr or annealing oven, the only part of the machinery used in manufacturing glass which he owns outright is the furnace. Is that right?
Mr. SMITH. In some cases, yes; in some cases, no. We have title to the actual machines we ourselves built and licensed, but in a number of other cases we haven't actual title.
Mr. COX. Even though you have licensed those?
Mr. SMITH. Yes.
Senator KING. And accept royalties?
Mr. COX. That is again a case where the machine is not built in the first instance by your company and licensed?
Mr. SMITH. Correct.
Mr. COX. In some of those cases where the machine was not in the first instance built by your company you have at a later date acquired title and then licensed it?
Mr. SMITH. Correct.
Senator KING. You can't become a purchaser of the patent over a licensee of the patent?
Mr. SMITH. I beg your pardon.
Senator KING. Do you become a purchaser of the patent under which the machine was constructed or a licensee of the patentee? Perhaps I didn't make myself clear. I understood there were some machines which you didn't make.
LICENSE FEES VS. ROYALTY CHARGES
Mr. SMITH. Actually build. When the courts decide a suit in our favor, if the manufacturer had infringed and wanted to license, he could either take our own machinery or keep his machinery. In some cases he took our machinery; in other cases he kept his machinery.
Mr. COX. In some cases where he kept his machinery you paid him a certain contribution for the title of the machinery?
Mr. SMITH. Yes.
Mr. COX. In some cases you didn't buy title, you just took a license?
Mr. SMITH. Yes.
Mr. COX. There are two different kinds of charges you made in connection with the license, are there not, a license fee and a royalty charge?
Mr. SMITH. Correct.
Mr. COX. The license fee is a lumpsum payment made either at once or in installments which is a contribution to your granting the license?
Mr. SMITH. Yes.
Mr. COX. The royalty fee, on the other hand, is a fee which is paid for the use of the licensed machinery?
Mr. SMITH. Correct.
Mr. COX. And that royalty fee is on a quantity basis, isn't it?
Mr. SMITH. So much per gross, depending on the sliding scale, depending upon the weight of the article made.
Mr. COX. Now, taking up the license fees, in the first place can you, or Mr. Safford, tell us what the license fee is for the feeding machines?
Mr. SAFFORD. $2,000.
Mr. COX. And how long has it been $2,000?
Mr. SAFFORD. I would say within two or three years.
Mr. COX. Isn't it about 1936 that it changed from $2,500 to $2,000?
Mr. SAFFORD. Yes.
Mr. COX. Can you tell us what the license fee is for forming machines?
Mr. SAFFORD. $8,000 for the four mold-forming machines.
Mr. COX. And what is the license fee for the lehr?
Mr. SAFFORD. $2,500.
Mr. COX. Do you have there a schedule of the royalty fees so we could avoid this? Just put it in.
(The schedule of royalty fees referred to was received in evidence and marked "Exhibit No. 114" and is printed on Page 203.)
Mr. COX. This is on the feeding machine, isn't it?
Mr. SAFFORD. Yes.
Senator KING. What was the answer to the question?
Mr. SAFFORD. Yes.
Mr. COX. If there is no objection, I should like to have this —
The CHAIRMAN (interposing). It maybe admitted.
Mr. COX. Those agreements usually provide for the payment of a minimum royalty fee, don't they?
Mr. SMITH. Yes.
The CHAIRMAN. This is a list of royalty rates and not of license fees?
GROSS ROYALTIES RECEIVED
Mr. COX. That is right, As a matter of fact, we have a statement here which has been mimeographed, and which we might offer at this time, subject to check by the witnesses, showing the total gross amount received by way of royalties and license fees by the company for each year since 1923. This is a gross figure and does not represent a net income figure of the company. I would like to offer that subject to correction.
Mr. SMITH. That is all right.
The CHAIRMAN. It is not clear from the colloquy that has been going on at that end of the table whether this has been identified or not.
Mr. COX. It has been identified as having been prepared from statements which were furnished to us by the company, and I am now about to offer it, subject to correction if any arithmetical errors are found.
The CHAIRMAN. This purports to be a statement of receipts from royalties and license fees by the Hartford Empire Company, from and including the year 1923 to 1937, both inclusive?
Mr. COX. That is correct.
The CHAIRMAN. It may be received.
(The statement referred to was received in evidence and marked "Exhibit No. 115" and is printed on Page 203.)
Senator KING. I would like to ask one question. I note that in 1923 the total received from royalties and licensee fees was $766,534; in 1937, $6,065,262. I am interested to ascertain whether or not that large increase in the licenses and in the royalties resulted from an increase in license fees and royalties, or was it an increase in production?
Mr. SMITH. Increase in the number of licensees. In 1923 we had not established our patents; they had not been adjudicated. As our patents were adjudicated and established we took on more licensees each year, so that the royalty return came instead of from fifteen or twenty licensees, from a great many more licensees. All told, I think we had something like eighty-six licensees.
Senator KING. I understood from your testimony that the license fees or royalties were based in part at least upon production.
Mr. SMITH. All the royalties are based upon production.
(Exhibit No. 114)
RATES OF ROYALTY
![]() |
(Exhibit No. 115)
HARTFORD-EMPIRE COMPANY
![]() |
Senator KING. Would any of this increase from $766,000 to $6,065,000 result from increased production?
Mr. SMITH. Oh, yes.
Senator KING. As well as from increased number of licensees and those from whom you were receiving royalties.
Mr. SMITH. Quite right. In some cases we have reduced the royalty rates.
The CHAIRMAN. I merely wanted to call the attention of the members of the committee to the fact that this morning we agreed to follow a rule of procedure which was originally suggested I think by Senator King, namely, that we would permit the Department to proceed with the original examination before asking our own questions.
We are all violating this rule, Senator, but in the interest of orderly procedure it was felt it would be the best way to go along.
Senator King. The Senator's statement is in part accurate but I will not challenge the inaccuracy.
Senator BORAH. Who is going to enforce the rule?
The CHAIRMAN. I shall attempt to ask the members of the committee to refrain.
Mr. COX. While we are dealing with the matter of royalties and license fees, I should like to state that the Department has prepared a computation showing the percentage relationship between royalties and gross license fees, and the total gross income of the company from 1932 to date.
This computation shows that the percentage relationship in 1932 was 91.2 percent; in 1933, 93.6 per cent; in 1934, 96.2 per cent; in 1935, 95.1 per cent; in 1936, 93.7 per cent; 1937, 94.5 per cent.
I am now going to give this computation to the witnesses so that they can check it, and we will make any corrections that may be necessary. I suggest that we do that over the evening, if that is convenient for you.
Mr. SMITH. I would be very glad to, if we could.
LICENSE AGREEMENTS
Mr. COX. You may keep that, and we will make any corrections that are necessary. Now to revert to the license agreements, those license agreements, aside from containing the provision requiring the payment of royalties, contain certain other restrictive provisions, do they not?
Mr. SMITH. Correct.
Mr. COX. They contain restrictions as to the kind of ware which can be manufactured by the licensed machinery, is that correct?
Mr. SMITH. Correct.
Mr. COX. Do you have outstanding any license which is absolutely unrestricted so far as the kind of ware which may be manufactured is concerned?
Mr. SMITH. In the container field, I think we have two such licenses, two un-restricted licenses.
Mr. COX. That is, strictly in the glass container field there are two licensees, and only two, who are free to manufacture any kind of ware they please with the licensed machinery.
Mr. SMITH. That is correct.
OWENS-ILLINOIS COMPANY
Mr. COX. Could you tell us who those licensees are?
Mr. SMITH. The Owens-Illinois Glass Company and Hazel-Atlas Glass Company, both of which companies do a national business, have plants located in various parts of the country, and also make, as they advertise, everything in glassware and containers.
Mr. COX. The Owens-Illinois Company is the largest manufacturer of glass containers?
Mr. SMITH. Yes.
Mr. COX. And the Hazel-Atlas Company is another very large manufacturer of glass containers?
Mr. SMITH. Correct.
Mr. COX. But there is no license, even those licenses, which is absolutely unrestricted as to kind of ware which can be produced by the machines.
Mr. SMITH. I don't get your question?
HAZEL-ATLAS GLASS COMPANY
Mr. COX. Neither the Owens-Illinois Company nor Hazel-Atlas is free under its license to manufacture heat-resisting ware, is that correct?
Mr. SMITH. That is true.
Mr. COX. Or electric bulbs.
Mr. SMITH. That is true.
SPECIALTY WARE
Mr. COX. But those kinds of ware are, of course, not normally regarded as being in the glass container class.
Mr. SMITH. Correct.
Mr. COX. And that kind of ware and several others are what is known in the trade as specialty ware.
Mr. SMITH. Specialty ware, and they are not allowed to make specialty ware.
Mr. COX. And you have only one licensee who is allowed to make specialty ware, is that correct?
Mr. SMITH. Practically. You are talking about bulbs or heat-resisting ware. I am told by my partner that is not correct.
Mr. SAFFORD. I think if you apply the term "specialty" to all non-containers, then there are a great many more licensees than one.
Mr. COX. I wasn't applying the term in quite that wide a way, although my question perhaps was open to that kind of interpretation. I have in mind the specific kinds of classifications that are named in the contract between yourselves and the Corning Glass Works: signal and optical ware, electric bulbs, and certain kinds of heat-resisting ware. As to those types of ware, you have only one licensee and that is Corning.
Mr. SMITH. Right.
CORNING GLASS WORKS
Mr. SAFFORD. Except as rights have been released by the Corning Glass Works.
Mr. COX. Except as they have granted sub-licenses. That is a contractual relationship between Corning and others?
Mr. SAFFORD. No, they have permitted us to grant rights in those fields.
Mr. COX. And in some cases you grant those rights with the consent of the Corning Glass Works?
Mr. SAFFORD. That is right.
Mr. COX. To return to the glass container field, you said a moment ago you had only two licensees who are absolutely unrestricted as to types of wares they can produce. Are those two licensees also restricted as to the quantity of the different types of ware that can be produced on the licensed machine?
Mr. SMITH. Correct.
Mr. COX. But they are the only two who are so unlimited?
Mr. SMITH. Correct.
Mr. COX. All the other licensees are limited as to the amount or the number of glass containers that they can produce.
Mr. SMITH. Oh, no. They are limited to types of wares, but not to amounts.
Mr. COX. Some of them are limited as to amounts.
Mr. SMITH. Some of them are, that is right. Mr. COX. Now taking for a moment milk bottles, you have before you the chart which we marked this morning.
MILK BOTTLE PRODUCTION
Mr. SMITH. Yes, and if you don't mind, Mr. Cox — excuse me, I was talking about another chart. May I ask you a question about another chart? In this pamphlet which you submitted to the committee this morning (Exhibit No. 112) on page 27, graphically speaking, it seems to me that that one little bottle which is supposed to represent 500,000 gross doesn't tell what you really intend to have it tell, namely, that there ought to be thirty-five little bottles along the line as each concern produces 500,000 gross.
PRODUCTION STATISTICS
And again when you have divided, on page 23, packers' ware, medicine, toilet, liquor ware, milk bottles and beer bottles, the statistics which you used, I doubt whether they were quite complete and give graphically the real picture.
Am I permitted to submit for your approval revised charts, like on the packers' field, in the thirty-five bottles? I think it would be rather interesting because on page 23 it is quite a different story from what this particular chart tells. In other words. you have packers' ware, and the records of the Container Association and our own records show that 26 per cent of the industry goes into what you might call packers' ware; 30 per cent in medicine and toilet; 16 per cent in liquor ware; 5 per cent in milk bottles; 2 per cent in fruit jars; and 9 per cent in beers.
Mr. COX. I think we would be glad to have any other figures, so far as page 23 is concerned.
Mr. SMITH. It just shows a little different picture, that is all.
The CHAIRMAN. What does the chart on page 23 purport to show, Mr. Cox?
Mr. COX. It purports to show the im-portance of the different kinds of ware, the numerical importance of the different kinds of ware in the entire glass industry. That is, it shows, for example, what part of glass containers are represented by the milk bottles produced, what part are represented by the fruit jars. The figures from which the chart was prepared were figures taken from the Census of Manufacturers, they were the best figures we could get at the time we prepared the chart, but we would be only too glad to have any other figures that are more accurate.
Mr. SMITH. Thank you very much, because I am sure those are more accurate.
Mr. COX. I would be glad to have this, which is Mr. Smith's revised figures for the chart on page 23, put into the record.
(The amended chart, Figure 17, "Products of the Glass-container Division of the Glass Industry," was received in evidence and marked "Exhibit No. 116" and is on Page 205).
The CHAIRMAN. It will be so inserted. This I take it is the same chart but the figures are changed.
Mr. SMITH. The figures are quite different, and the same way with this chart on page 27. Graphically there should be thirty-five little bottles, thirty-five concerns, each making 500,000 gross. As a bottle represents 500,000 gross, there should be thirty-five bottles out in a line.
Mr. COX. I think that Mr. Smith's objection to the second chart is pictorial rather than statistical. Our chart was prepared to show the average production of each one of these companies here so that each one of the companies' position might be compared with each of the companies listed above. What Mr. Smith wishes to do is to put out here at the side little milk bottles or bottles which will indicate the lump production of all of the remaining thirty-five companies in its relation to the production of each of the other individual companies. While I have no objection to this and will be glad to have it go in the record, I want to make it clear that this chart of Mr. Smith's shows quite a different thing. We were attempting to contrast the position of the single small manufacturer in the field with the five big companies, and Mr. Smith's figure here is a lump figure for all of those thirty-five, a pictorial representation of the thirty-five.
(The chart referred to, "Fig . No. 21," was received and marked "Exhibit No. 117" and is printed on Page 205).
The CHAIRMAN. With respect to this other chart, did you develop the source of the percentages marked by Mr. Smith?
Mr. COX. Where did you get your figures, Mr. Smith?
Mr. SMITH. From our own returns and the returns of the Glass Container Association.
Mr. COX. Published from time to time by the Glass Container Association?
Mr. SMITH. Yes.
Mr. COX. That is the trade association for the glass container association?
Just so the record may be clear as to the relationship between yourself and Corning Glass Works, I want to make sure that I understand it is correct that before you can grant a license in one of the fields covered by the Corning contract it is necessary for you to get the consent of the Corning Glass Works.
Mr. SMITH. In the formation agreement of the Hartford Empire Company and the agreement with the Corning Glass Works made at the same time, we sold outright to the Corning Glass Works certain rights and inventions, including the right to license in those particular fields and wares, so it isn't in our hands. We sold the exclusive rights. If the Corning Glass Works came to us and said, "Will you license A, B, C, and D?" we would probably be glad to do so, but we have no right to license. We sold them that exclusive right. That is theirs to do with as they see fit. We have divested ourselves of all further rights in those fields.
Mr. COX. If I should wish to get the use of one of your machines to manufacture Pyrex, then, I would have to go to the Corning Glass Works?
Mr. SMITH. Correct.
Mr. COX. If I came to you, you would send me to them.
Mr. SMITH. I would send you to them.
RESTRICTIONS ON LICENSES
Mr. COX. Taking the chart again, which is what started on a moment ago (referring to Exhibit No. 113), you testified that your licensees are restricted as to the kinds of ware that they can produce. Will you tell us how many of the licensees shown on this chart are free today to produce milk bottles?
Mr. SMITH. I think there are ten, although this chart may not show all of the various ramifications. Thatcher Manufacturing Company have a subsidiary, the Olean Glass Company, which is also producing milk bottles. The Universal Glass Products Company can produce milk bottles.
Mr. OLIPHANT. All kinds of milk bottles?
Mr. SMITH. Yes, all kinds; quarts and pints and creamers and specialties.
Hamilton can produce milk bottles; Liberty Glass; Lamb Glass Company can produce milk bottles. Of course the Owens-Illinois Company can produce milk bottles; Hazel-Atlas Glass Company can produce milk bottles; Florida Glass Company can produce milk bottles; Buck Glass Company can produce milk bottles.
Mr. COX. Now, can you tell me this, Mr. Smith: Of those companies you have named, how many can produce as many milk bottles in a year as they want to produce?
Mr. SMITH. The Owens can; Thatcher can; Olean could, and Liberty Glass Company could. I think that is all.
Mr. COX. So that, counting Olean as a subsidiary of Thatcher, there are only three companies in the United States today who have a right, under their license from you, to produce as many as they like.
Mr. SMITH. Correct.
Mr. COX. The Thatcher Company has a plant in Elmira, New York?
Mr. SMITH. Correct.
(Exhibit No. 116)
![]() |
(Exhibit No. 117)
![]() |
Mr. COX. The Liberty Glass Company has a plant in Oklahoma, doesn't it? Do you know what plants of the Owens-Illinois Company produce milk bottles with your machinery?
Mr. SMITH. They have a plant in Columbus and a plant on the Coast. I don't know whether they make any glass in the East here. They probably may at their Bridgeton plant. They have the right to make them in any plant they see fit.
Mr. COX. There is no territorial limitation on their right to make milk bottles?
Mr. SMITH. There are no territorial limitations on any of the people who make milk bottles.
Mr. COX. You spoke a moment ago of the Pacific Coast. Is anyone licensed to produce milk bottles on the Pacific Coast besides Owens?
Mr. SMITH. Owens and Hazel-Atlas.
Mr. COX. But that is a limited license.
Mr. SMITH. No.
Mr. COX. Limited as to quantity?
Mr. SMITH. Mr. Safford says it might be called a limited license, and I will accept his definition.
Mr. COX. You said there were only three companies with the absolutely unrestricted right.
Mr. SMITH. Hazel-Atlas didn't originally have the right to make milk bottles. They asked consent to make a few on the Coast and we gave it to them, but we didn't specify the number nor how the license should run.
Mr. COX. It is a license at will?
Mr. SMITH. It can be cancelled tomorrow if we see fit.
Mr. COX. And they do make a few milk bottles.
Mr. SMITH. So I understand.
FRUIT JAR MAKERS
Mr. COX. Now consider the fruit jars for a moment. Will you tell us how many licensees shown on the chart have the right to produce fruit jars?
Mr. SMITH. Three; Hazel-Atlas Glass Company, Owens-Illinois Glass Company, and Ball Brothers.
Mr. COX. Are any of those licensees restricted as to the number of fruit jars they can produce?
Mr. SMITH. No.
Mr. COX. Those are all unrestricted licenses?
Mr. SMITH. Yes.
Mr. COX. Without naming them, can you indicate generally how many of the licensees are licensed to produce packers' ware?
Mr. SMITH. I would say a great many, something like thirty-four. Perhaps the Committee will be interested in getting to the bottom of this licensing policy.
Mr. COX. I am going presently to ask some questions, Mr. Smith, that may assist you in that regard; if you don't mind, you might wait until then.
FLORIDA GLASS COMPANY
I think it might be helpful if at this point we put in the record one or two of these license agreements. I have one here for the Florida Glass Company, a certified copy which was taken from your files. You are satisfied, I assume, that that is a copy.
(The certified copy of the license agreement of the Florida Glass Company was received in evidence and marked "Exhibit No. 118.")
This license contract contains a provision which is, I think, perhaps indicative of some of the provisions which limit quantity. It contains a provision that the licensee may manufacture milk and cream bottles, "provided, however, that the licensee shall not produce in any calendar year on any and all feeders licensed to it by licensor more than 21,000 gross of such bottles."
Mr. SAFFORD. That has been amended, Mr. Cox. The amendment is in your license. That was raised at their request.
Mr. COX. Can you tell me what the number is now?
Mr. SAFFORD. It is 27,500.
Mr. SMITH. That is due for some explanation, if I may make it.
Mr. COX. I am perfectly willing to let you make any explanation you want to make. Is what you wish to speak about the provision contained in some of those with respect to increase in total production? If so, you go ahead and tell about that.
LIMITED LICENSES
Mr. SMITH. Well, let's take the whole thing, Mr. Cox, after you finish. You go right ahead.
Mr. COX. Your licenses do contain provisions restricting the territory within which the licensee may sell?
Mr. SMITH. There is only one.
Mr. COX. Is the Northwestern Glass Company?
Mr. SMITH. Correct.
Mr. SMITH. I hand this to you, which is a certified copy of that license contract and ask you if you are satisfied as to the accuracy of it.
Mr. SAFFORD. That is for a very small plant in a limited area.
Mr. COX. I understand. Under this license he is permitted to manufacture ware which can only be sold in Oregon, Idaho, Montana and Alaska. Is that right?
Mr. SAFFORD. Yes, 1 think so. That is the only limited territory.
Mr. COX. I should like to offer this.
Senator KING. Is that to be inserted?
Mr. COX. I have no interest in having it printed. I'd like to have it marked as an original exhibit and certified.
The CHAIRMAN. Is that true of Exhibit 118?
Mr. COX. Yes.
The CHAIRMAN. Both of these exhibits may be filed with the Committee and certified as exhibits offered by the Department of Justice for the purpose of this hearing.
(The contract between Hartford-Empire Company and Northwestern Glass Company, a photo-static reproduction of 40 pages, was received in evidence and marked "Exhibit No. 119").
Mr. COX. Sometimes in your license agreements you specify the customers to whom the manufactured ware may be sold?
Mr. SMITH. No.
Mr. COX. Are you quite sure about that, Mr. Smith?
Mr. SMITH. I don't remember any such situation. Yes, I think there are only two such occasions. Mr. COX. Well, the one I have here is the license to the Laurens Glass Works, Inc., Laurens, South Carolina, which reads as follows: "You are authorized to make under the said licenses a total of not over 4,000 gross per calendar year under both of said licenses, of panel bottles not exceeding 14 ounces in weight." By the way, what is a panel bottle?
Mr. SAFFORD. It is a flat-sided bottle.
Mr. COX. "The said bottles are to be sold chiefly to the Globe Medicine Company or to the Standard Drug Company, or both, both of Spartansburg, S. C. But you are also authorized, until further notice, to sell a part of such total of 4,000 gross per year to small users of such bottles in your vicinity." That was one of the provisions I had in mind.
Mr. SMITH. You may find one or two or possibly three, but that —
Mr. SAFFORD (interposing). I don't want to interrupt the proceedings, but are you sure that wasn't subsequently revoked and embodied in a larger license?
Mr. COX. Not so far as we could tell.
Mr. SMITH. That comes about due to this fact. A licensee may be making packers' ware or some other field, and they occasionally bob up and say, "I have a friend over here and I have known him along time. For heaven's sake, let me make 4,000 gross of prescription bottles for him. We don't want to go into the prescription business. We don't want to make that kind of ware, as a general thing, but just as a courtesy from Hartford let us supply that particular fellow."
Mr. COX. You do it under those circumstances.
Mr. SMITH. Not as a general proposition, but every once in a while. We decide each case on its own merits If it seems reasonable and a decent thing to do, we will expand his license so that he can take some particular advantage of some particular situation, but that isn't an intrinsical part of our general licensing.
Mr. COX. It would be accurate to say, then, that in the cases where that kind of provision is in the agreement, what you have done is to carve out a limited exception to a prohibition against any manufacture of that kind of ware. Is that correct?
Mr. SMITH. No, not quite.
Mr. COX. I thought that is what you said a moment ago, Mr. Smith
Mr. SMITH. One particular man under a license may not have the right to make that particular line of ware because that wasn't his business, but if some particular situation arose where you might, say almost as a matter of courtesy, if he wanted to make just a small quantity of that wasn't his business, but if some particular concern, we say, "All right, go ahead," and we added that right to his license.
Mr. COX. What I wanted to be sure of is this. As you explain it, it is a situation in which the man in the first instance under the license had no right to make that —
Mr. SMITH (interposing). He had no right because he has never been in the habit of producing that ware and his business wasn't in that particular line.
Mr. COX. His license wouldn't let him make it?
Mr. SMITH. But as a general licensing policy, when a manufacturer came to us for license, we said, "What have you been making? What would you like the license for?" And we would give him the license to make the particular glass ware that he was manufacturing, selling and marketing.
Mr. COX. I would like to have this go into the record to be marked as an exhibit. There has been a change in the quantity provision, Mr. Safford, but we found no provision in that I read, but I will correct it.
Mr. SAFFORD. Let it go in subject to check.
The CHAIRMAN. Do I understand that it is your desire to have this printed in the record or filed as the others were?
Mr. COX. Filed as the others were.
The CHAIRMAN. I want to be sure of your desire.
Mr. COX. I want to make my own position clear about that. I have no interest in burdening the record by having these things printed. On the other hand, I wish to be sure they are certified as exhibits so they can be used by the Department in connection with any report to be prepared.
The CHAIRMAN. Of course, it would be the desire of the Committee to have a complete story told. Therefore, I am anxious that whenever you present these that you are satisfied in your own mind that you have sufficiently developed the character of the exhibit to make the record clear.
Mr. COX. I read or paraphrased the part of interest to the Department, and we are not interested in having the rest of it printed.
The CHAIRMAN. Very well, it may be admitted with that understanding.
(The contract between Hartford-Empire Company and Laurens Glass Works, Inc., photo-static reproduction of 30 pages, was received in evidence and marked "Exhibit No. 120").
Mr. COX. Now sometimes your licenses contain restrictions which may be made as to the use of the manufactured ware, do they not?
Mr. SMITH. Can you give me an example?
Mr. COX. Well, take the license which you have issued the Buck Glass Company. Isn't there a provision in there which authorizes them to manufacture wine bottles for sacramental wine?
PARTICULAR LICENSES
Mr. SMITH. I think there is although I am not sure, but if there is such a provision, it is right along the line with what we just have been talking about. The Buck Glass Company is not a winehouse, not a liquor house, but they had a little extra business coming from some-body that wanted some wine bottles for sacramental wine. That may be in there. I assume it is if you say it is.
Mr. COX. That is what I am informed. Another example I have in mind would do with the Latchford Glass Company. I think they are licensed to manufacture bottles to be filled with milk of magnesia. I assume that under that license they can't manufacture bottles to be filled with any other kind of medicine.
Mr. SAFFORD. I think that is a descriptive term of the type of bottle rather than the use.
Mr. COX. I see; in other words, under that license they can manufacture a bottle of that type and it can be filled with any kind of medicine.
Mr. SAFFORD. That is right.
RESTRICTIONS ON BOTTLES.
Mr. COX. Tell me this: Under your license agreement, some of your licensees are entitled to manufacture packers' ware. There is a kind of jar which fits into the packers' ware category which is comparable to a fruit jar in size and shape, is it not?
Mr. SMITH. They are very much alike.
Mr. COX. When you license a man to produce a bottle of that kind for use for packing food products by processing food products, do you regard it as a violation of the license agreement if he uses the bottle to preserve fruit?
Mr. SMITH. The license we extend to the manufacturer is to make certain lines of bottles; what those bottles are used for determines the kind of the license. Now if a man were making ordinary packers' jars and a jar goes to the producing manufacturer of food products and they use that jar and put their own products up in that jar, the manufactured fruit jar to the domestic household trade is an entirely different kind of business, and the licensee who had the right to make the packers' jars would not have the right to make fruit jars for household domestic trade. Does that answer your question?
Mr. COX. I think it does with one exception. I want to make sure that I understand what you mean by that. If such a licensee should manufacture a packers' ware jar and begin selling it for use as a fruit jar, would that be a violation of his license?
Mr. SMITH. It would.
Mr. COX. Now the licenses which you issue on some of your machines, and I am speaking now particularly of the lehr or annealing oven, contain a provision which restrict use of the licensed machine, or in connection with other machinery which is patented by you and licensed to the licensees, do they not?
Mr. SMITH. That was true at first, but that is no longer in force.
Mr. COX. Now what I have specifically in mind is a provision which I found which I shall hand to you in a moment, in the agreement, the license agreement, with Whitall Tatum Company. The agreement was made in 1933, containing this provision: "The said leased machines are designed, developed and adapted especially for use with other glass machines controlled by the Licensor. "The grant of rights herein to use such leased machines and to use the said patent rights therein embodied is therefore restricted and limited as follows: "In case the said leased machinery shall at any time be used by the Licensee for the annealing or treatment of glassware produced by the aid of any feeding machinery not then controlled or under license from the Licensor, and such use shall continue after the Licensee shall have received from the Licensor written notice of objection to such use, then, in such case, the Licensor reserves the right, in its operation, to revoke and cancel this license and lease, upon paying the Licensee the amount of one year's minimum royalty hereunder."
Mr. SMITH. That was in our early contracts and since has been changed and was never enforced. I think we started out with the idea that we wanted to have the use of our equipment tied to our own forming machines and feeders.
Mr. COX. Has that particular provision in that particular license agreement been changed. Can you answer that?
Mr. SAFFORD. No.
Mr. COX. So under that agreement as it stands today Whitall-Tatum Company can not use the lehr except in connection with your machinery, is that right?
Mr. SAFFORD. That is not quite correct.
STANDARD CONTRACTS
Mr. COX. I realize that put it this way. If it does, it then brings into operation the right to cancel which is provided by that contract.
Mr. SAFFORD. That is not quite true. It is merely we reserve the right.
Mr. COX. You can cancel that contract.
Mr. SAFFORD. But until we exercise it, they have the right to use the machinery with another.
Mr. COX. But if they use the machinery with others, you have the right to cancel that upon payment of one year's royalty.
Mr. SAFFORD. That is correct.
Mr. COX. Is this same provision in effect in many other existing contracts today under lehrs?
M. SAFFORD. It is not in the latest edition of the standard contract and it is probably in all editions prior to that.
Mr. COX. When was that change made?
Mr. SAFFORD. Well, this is the edition of May, 1936, that I have here that doesn't contain that provision.
Mr. COX. You think probably until that time the provision was contained in these lehr contracts?
Mr. SAFFORD. Yes.
Mr. COX. Can you tell us, Mr. Smith, why the company decided to abandon that provision?
Mr. SMITH. No, necessarily some legal reason. I will have to refer to my legal staff. In fact, I didn't know it had been abandoned.
Mr. COX. Do you have any opinion on that, Mr. Safford?
Mr. SAFFORD. I think it is a legal conclusion, namely, that the combination of the lehr and the feeder had no reasonable relation from the manufacturing point of view and, inasmuch as we had no patents covering the combination of the two, it was thought advisable to omit the provision.
ANTITRUST LAWS
Mr. COX. Well, if I should suggest that you might and did abandon it because you had reason to believe that it might present some question as to whether or not such an agreement was prohibited by the antitrust laws, would you deny that?
Mr. SAFFORD. I don't think we'd deny that.
Mr. COX. That is one case where the antitrust laws may have had such an effect. I'd like to have the contract marked, if I may, and treated the same way as the others.
The CHAIRMAN. It may be so marked.
(The contract between Hartford-Empire Company and Whitall Tatum Company, a photostatic reproduction of 30 pages, was received in evidence and marked "Exhibit No. 121.")
Mr. COX: Under these license agreements, the agents or employees of your company, of course, have a right to go on the premises of the licensor at reasonable times to make reasonable repairs?
Mr. SMITH. Correct. In fact, they are quite welcome.
Mr. COX. You attach a plate on each of your machines, do you not, Mr. Smith, stating that the machine is licensed under certain patents and giving the numbers?
Mr. SMITH. Correct.
Mr. COX. And from time to time as new patents are issued , you add numbers to the plates, is that correct?
Mr. SMITH. Correct.
STANDARD FORMS
Mr. COX. Do you have the latest standard form of your stacker and conveyor agreement there, Mr. Safford?
Mr. SAFFORD. Yes, I have.
Mr. COX. May I see it?
Mr. SAFFORD. That is the stacker.
Mr. COX. You don't have it consolidated? Has this form been abandoned by your company?
Mr. SAFFORD. Well, that agreement is just with the one company, owing to the number of machines involved.
Mr. COX. I see, that is not in common use.
Mr. SAFFORD. That is not in any use at all except with that one company.
Mr. COX. This contract contains a provision similar to the provision which I read a moment ago in the Whitall Tatum contract.
In fact, it appears at first sight to read word for word with it and restricts the use of this equipment to use in connection with other machinery which is covered by patents owned by your company and licensed by your company. Has that provision been modified or changed in this contract? That is in Section 5.
Mr. SAFFORD. No, that has not been changed. It would fall in the same category as the lehr situation. It is not used in the standard contract.
Mr. COX. But this particular provision in this particular contract is still in force?
Mr. SAFFORD. Yes, I might add this one further thing, Mr. Cox, that I believe that we base that upon the fact that certain of our patents relate to the combination of the stacker with the lehr.
Mr. COX. If that is so, why did you take it out of your standard — this is only the stacker and the lehr?
Mr. SAFFORD. That is right.
Mr. COX. There is no such claim made with respect to the lehr and the feeder?
Mr. SAFFORD. That is what I explained before.
Mr. COX. So the record may show what this document is, it is a "Consolidated Stacker and Conveyor Agreement between Hartford-Empire Company and Owens-Illinois Glass Company." The provision which I referred to is found in Section 5, and appears to be in precisely the same language as the restrictive provision as was found in the Whitall Tatum contract.
The CHAIRMAN. Do you care to read the provision?
Mr. COX. "The said leased machinery is designed, developed and adapted especially for use with glass-annealing lehrs controlled by the licensor. The grant of rights herein to use such leased machinery and to use the said patent rights therein embodied, is therefore restricted and limited as follows:
"In case the said leased machinery shall at any time be used by the licensee for the handling of glassware, into, upon or in connection with any lehr or other glass annealing machinery not then controlled or under license from the licensor, and such use shall continue after the license shall have received from the licensor written notice of objection to such use, then in such case the licensor reserves the right, in its option, to revoke and cancel this license and lease."
(The "Consolidated Stacker and Conveyor Agreement between Hartford-Empire Company the Owens-Illinois Glass Company", a pamphlet of 24 pages, was received in evidence and marked "exhibit No. 122.")
PATENT LICENSE POLICY
Mr. COX. Now, Mr. Smith, I should like to ask you some general questions in respect to your licensing policy, and I hope you will remember, as I am sure you will, as I ask these questions, that I have no intention of criticizing you personally or injecting what I might call the moral element into this investigation. I am merely interested in finding out why you follow certain policies. I take it, in the first instance, that you do not treat all of your licensees alike. That is obvious from the answers to the questions you have already given.
Mr. SMITH. You mean that they all don't have the same kinds and types of licenses?
Mr. COX. That is right.
Mr. SMITH. Yes, that is right.
Mr. COX. Now how do you decide exactly how you are going treat a licensee?
Mr. SMITH. The manufacturer who hasn't been a licensee with the Hartford asks for a license. There is something he would like the license for. We ask what use he desires to make of our machine. He says, "I am in this kind of a business. I am in the prescription business, make some patents, make a few beers, and something of that sort." And that is what you want a license for?" "Yes." And he gets it.
Mr. COX. Now do you want us to understand, Mr. Smith, that you always give the petitioning manufacturer a license to produce all the kinds of ware he wants to produce?
Mr. SMITH. Not all the kinds of ware he wants to produce, but all the kinds of ware, generally speaking, that he is then producing. In other words, we have got to furnish him equipment which will satisfy his business needs. Now there are very few of the companies that make all kinds of ware. Many of the companies do a national business from coast to coast. Many are quite satisfied if they get a license from us to make three or four kinds of ware which is in a business that they know, their sales organization know, their producing organization know, their merchandizing organization know, and that is the license we give them and that is generally true. There may be one or two exceptions which I am not conscious of, don't know about.
Mr. COX. You wouldn't go so far as to say in every case you'd grant a license to permit the man to manufacture everything he is manufacturing?
Mr. SMITH. Pretty near.
Mr. COX. Pretty nearly that?
Mr. SMITH. Yes, that is the general policy. You will find exceptions to every policy, of course.
Mr. COX. Then if the man comes to you and says that he has been producing packers' ware hitherto and he wants to keep on producing packers' ware, but he thinks he might do pretty well in the milk bottle business although he has never made or sold any milk bottles, will you give him a license in that?
Mr. SMITH. Probably not due to the fact that the producing capacity for manufacturing milk is way in excess of the consumption. In other words, out of our licenses, those nine or ten that have the right to produce milk bottles, they used our equipment something like 62.7 per cent of the time. They didn't have the business to fill it up. Now if the manufacturers couldn't supply milk bottles to the trade, that would be an entirely different situation. We'd probably take on new licensees.
Mr. COX. Well, in taking the situation which you described a moment ago where, in your opinion, the capacity of the industry to produce milk bottles is in excess of the demand of milk bottle supply —
Mr. SMITH (interposing). There is no question about that.
Mr. COX. In a situation of that kind you would not grant a licensee the right to produce milk bottles?
Mr. SMITH. No. If you had made a large investment in our equipment and had been a good licensee and paid us quite a large sum of money each year and I came along to you and I said, "Mr. Cox, I have got a half million or a million dollars to devote to the manufacture of milk bottles," and you wanted to build a plant right at the back door of the licensee of the Hartford-Empire Company who had served and served us for a number of years, we'd probably decline to give you such license; but, on the other hand, if the capacity couldn't look after the normal demand so that people were suffering and couldn't get milk bottles, then we'd probably welcome you as a licenses.
Let me say, Mr. Cox, all those questions — we decided to take up one thing at a time, when the problem arises, and you might have a situation two years from today that was entirely different than a year from the present time. We reserve judgment, but, generally speaking, when the producing capacity is way in excess of consumption, we do not and would not grant licensee.
Mr. COX. The effect of that kind of a policy is to protect the existing manufacturers of milk bottles from competition, from new comers in the field, is it not?
Mr. SMITH. No, I don't like you to put it that way. It is to protect the present manufacturers, to make money, and to produce milk bottle cheaper.
The CHAIRMAN. That is a sort of AAA in milk bottles. (Laughter)
Mr. SMITH. Not so far from it, but used intelligently. (Laughter)
Mr. ARNOLD. You think that kind of power is better in private than in public hands to decide capacity?
Mr. SMITH. I don't think there is any question about it, Mr. Arnold, who is better able to say whether we shall have a thousand licensees or five hundred or two hundred or fifty. We know the trade. It is our life-blood to keep in touch with the manufacturers and to find out what they need, to develop machinery for them, to really keep competition going, if you want to put it that way.
Mr. ARNOLD. Whereas Agriculture doesn't know agriculture so well?
Mr. SMITH. I am sorry. I don't want to get into that.
Mr. COX. I'd like to ask you a question about that. A man comes to you and asks for the right to make milk bottles and you point out to him that the capacity in the industry is already greater than the demand for milk bottles.
Mr. SMITH. Correct.
Mr. COX. And he says, "Well, that may be but I can still make and sell better milk bottles and I can sell them cheaper than anyone else can, and I want to go into the industry." Then you say, "No, you can't do that."
Mr. SMITH. Of course , that is a hypothetical question, and I doubt whether he could prove he could make milk bottles cheaper and serve the public as well as the people who now make a specialty of producing milk bottles. It is not a cinch to produce milk bottles. The requirements are severe and the manufacturers are all the time working to give the public a better, stronger milk bottle, and that means cheapness, because a milk bottle today has thirty-five or forty trips. If the manufacturer can produce a milk bottle that has sixty or seventy trips, it means less money. Of course, in Scotland they use a milk bottle a hundred trips, you know. (Laughter)
Mr. COX. I expect that, Mr. Smith, but anyway, your demand on your company is the agency which make the decision as to whether a man —
Mr. SMITH (interposing). As to whether a man can use our machinery.
Mr. COX. If he doesn't use your machinery, he is going to have a hard time.
Mr. SMITH. No; he can go ask for a suction machine. He can build a suction machine under the early patents. He can import suction machines. We went over that this morning.
Mr. COX . You are not seriously now suggesting to us, Mr. Smith, that a man could take Mr. Owens' early suction machine and compete in the market today, the unimproved suction machine?
Mr. SMITH. Well, I don't know. I would say it would be difficult unless he had certain local conditions.
Mr. COX. If that were true generally, I don't see what your licensees are paying royalties to you for. They might as well all begin using suction machines.
Mr. SMITH. They would prefer to use our machines.
Mr. COX. I think they would undoubtedly and I doubt very much, Mr. Smith, be a commercially practical operation today.
Mr. SMITH. I don't think it is the best, but he can do that. You asked me whether he could do it. I don't want to do it. Does that answer your question?
Mr. COX. Do you or Mr. Safford or any one in your organization know of any place in the United States today where they are producing glass containers on an unimproved Owens' suction machine of the kind used between 1904 and 1920?
Mr. SMITH. I don't know unless it may be the Ball Brothers.
Mr. ROBINSON. Ball Brothers is doing it today.
FUTURE OF GLASS INDUSTRY
Senator KING. Mr. Cox, you are not trying to support the thesis that there is to be no further improvement in the matter of glassware or anything else?
Mr. COX. No, I am not. I was simply trying to develop a point which I believe to be true. If you or I or anyone else wants to go into the business of manufacturing glass today in this country there is only one place we can go to get machinery, and when we go there, they are the ones to decide what we can make and how much. I am not suggesting, sir, that is improper or illegal, but I am trying to bring that fact out.
Senator KING. You are not suggesting that somebody else might provide better machinery.
Mr. COX. I don't know. I have no power to look into the future; I only know what the situation is today. I think it is quite possible somebody in the future might develop it.
Mr. ROBINSON. I think someone has already.
Mr. COX. Whatever the foundation is for your decision which you make in respect to whether or not a person shall have a license to produce milk bottles, or fruit jars, either, as far as that person is concerned and your machinery is concerned, it is a final decision.
Mr. SMITH. Correct, as far as our machinery is concerned, it is a final decision — we either say yes or no.
Mr. COX. Unless he can find some other machinery somewhere, he can't manufacture milk bottles.
Mr. SMITH. Not at present. Things change from time to time. We originally had, I think, fourteen milk bottlers all told we have given out and we try to look after these manufacturers. For instance, you in Florida glass license, a little fellow. right to make 21,500 gross. As time comes along, he comes up and says, "Well, I think I can do a little more business in the territory. Will you extend the license rights?"
Yes, we have done it. He now has the right to make 27,500.
Mr. COX. What consideration do you take into account when there is a request of that kind made to you? Do you always grant it?
Mr. SMITH. Not always, no, it all depends upon conditions existing at that time.
Mr. COX. What conditions?
Mr. SMITH. We rather like to grant those extensions when the conditions or the situations warrant.
Mr. COX. What conditions particularly do you have in mind?
GRANTING OF LICENSES
Mr. SMITH. Well, I can't tell you, Mr. Cox. There may ten or fifteen different reasons that affect it.
Mr. COX. In determining what the character of these provisions of your license agreements is, Mr. Smith, do you make any attempt to delete or control competition among your various licensees?
Mr. SMITH. Well, I would say yes and no. What is the question, I mean?
(The question was reread by the re-porter.)
Mr. SMITH. Imagine a situation of this sort where two licensees serve a certain radius and one licensee comes and wants an extension of rights or wants to produce a larger quantity of bottles, and if we thought that it was inadvisable to give him that distinction, we wouldn't. Again, we take those things up as they come along and try to decide each case on its merits. We are not always right. I don't know anybody who is always right. We have made some mistakes.
Mr. COX. One of the circumstances which you would take into account in considering that question is as to whether there was some other manufacturer serving that particular territory with the same kind of ware.
Mr. SMITH. I think so. It would be a natural thing. It is a question of their both living or both being prosperous, not getting at each other's throats. We want them to have steady business, steady employment, and we have found a lot of memorandums where I talked about stabilization, that is what I mean, not great fluctuations in industry, where our licensees can manufacture steady, day-by-day and week-by-week and month-by-month and give employment to labor on a steady basis.
Mr. COX. To the extent —
Mr. SMITH (interposing). In other words, to try to promote a healthy situation.
Mr. COX. To the extent that competition among various manufacturers did not produce stabilized conditions of that kind, but resulted in price wars and vile fluctuations in price, you would think it wasn't a healthy thing?
PRICE STABILIZATION
Mr. SMITH. I don't think we have ever gone into price wars. We have nothing to do with what a manufacturer gets for his goods, to whom he sells, at what price he should sell. As a matter of fact, we don't know how he does merchandise his goods. I couldn't tell you the names of the customers of our licensees, or the prices they get or under what conditions they sell, or what territory they serve.
But when they come to output, and ask for a certain right and a certain extension ,that whole question as to whether they can produce that and add to their use of the machines, our machinery, so that it might be to the disadvantage of somebody else, I think probably we make up our minds then and there either yes or no. I cant' give you any general rule, Mr. Cox, because we haven't any.
Mr. COX. When you spoke a moment ago about stabilization , did you have in mind any such thing as stabilization of price?
Mr. SMITH. No, we haven't anything to do with prices.
Mr. COX. Did you have in mind any such thing as stabilization of the part of the total quantity of glass containers produced in terms of any particular individuals?
Mr. SMITH. No.
Mr. COX. You have no interest in seeing that a particular manufacturer preserves his present position?
Mr. SMITH. Not as regards his particular position in the industry, but preserves his financial condition so that he can continue to pay us royalties.
Mr. COX. To the extent that competition might weaken his financial condition so that he couldn't pay you royalties, you are not interested in competition?
Mr. SMITH. No, not a bit. We don't care where he sells his goods, what prices he gets for them, the terms he gets. We can't tell you.
Mr. COX. You wouldn't say that you were absolutely indifferent to competitive conditions in the industry, would you, Mr. Smith?
Mr. SMITH. Oh, in general, in so far as it might affect the soundness or might help the licensee; our income comes from the manufacturer. If a manufacturer can't make money he isn't going to be able to use our equipment, therefore he isn't going to pay us royalties. But what he does with the ware he makes on our machine is none of our business. We have never followed that up.
Mr. COX. But you think that it is quite proper, do you, Mr. Smith, for you to use your patents and the rights thereunder to stabilize the glass container industry in the way you have described to us?
Mr. SMITH. Stabilized so far as the use of our machinery goes, not so far as their business goes, because we have nothing to do with their business.
Mr. COX. Well, so far as your machinery relates to the manufacture of glass containers —
Mr. SMITH (interposing). Any thing that will keep the manufacturer producing at a low cost, and at the same time bring us the return in royalties, we are interested in.
Mr. COX. Those things are sometimes a little inconsistent.
Mr. SMITH. I know.
Mr. COX. Of course, the cost might be lower if they didn't pay you any royalties at all.
Mr. SMITH. If they didn't pay royalties they wouldn't have our equipment and they would be out of business.
Mr. COX. Well, that is the first time today I have been able to get you to admit that if they didn't have your equipment they would be out of business.
Mr. SMITH. If we withdrew our equipment they would have to go somewhere else.
Mr. COX. They have to go out of business, is what you said a moment ago.
Mr. SMITH. Well, this is a very intricate business and when we say we are working for our licensees it is literally true. We are working for them and we are working for ourselves, and we try to keep them at a competitive cost. We are continually supplying means and methods so that they can increase their production with the equipment which we have.
RESTRICTED LICENSES
Mr. COX. Mr. Smith, I am going to show you a memorandum which we took from your files dated March 26, 1928, entitled, "Memorandum as to Hartford-Fairmont and Hartford-Empire History and Policy," and ask you if you will identify that as a document which was in fact taken from your files.
Mr. SMITH. This is a memorandum which I assume was written by Mr. Herbert Knox Smith. His initials are on it on the typewriter. What date was that?
Mr. COX. This is March 26, 1928. I want to call your attention to the following statement which is found in this memorandum. It reads as follows:
"Consequently we adopted the policy which we have followed since, of restricted licenses; that is to say, (a), we licensed the machines only to selected manufacturers of the better type, refusing many licensees whom we thought would be price cutters; and (b), we restricted their field of manufacture in each case to certain specified articles with the idea of preventing too much competition. (c) In order to retain more complete control of the situation, we retained title to the machines and simply leased them for a definite period of years, usually eight or ten years, with the privilege of renewal for a smaller additional term."
The CHAIRMAN. Mr. Cox, before you propound the question may I ask, for the benefit of the record, to whom the word "we" applies or refers?
Mr. COX. I take it the word "we" applies to the Hartford Empire Company. The memorandum is entitled, "Memorandum as to the Hartford-Fairmont and Hartford-Empire History and Policy." I understand it was written by Mr. Herbert Knox Smith, to whom he referred this morning.
The CHAIRMAN. And it has been so identified by the witness?
Mr. SMITH. I think there is no question about that, Mr. Chairman. His initials are on it. He had a habit of writing, every once in a while (Laughter), dissertations which always more or less clarified certain things in policy, looking way ahead of here. Every once in a while he would sit down and review things and see how far off the track you may be, and how well on the track.
The CHAIRMAN. If I may be permitted to make an observation, I should say he had a very lucid style.
Mr. COX. I had no difficulty in understanding the passage I read.
Mr. SMITH. A very remarkable man; very remarkable.
Mr. COX. That, in fact, was the policy of the company.
Mr. SMITH. Not necessarily.
Mr. COX. Do you suggest that Mr. Smith was wrong?
Mr. SMITH. Let me read it again. This isn't so bad as you are making out, Mr. Cox.
Mr. COX. I am not making anything out.
Mr. SMITH. We had a restricted policy for fields of ware. It is true in those earlier days that we were more anxious to obtain as a licensee most financially strong concerns, and it is true that we restricted in those early days, when we felt that the industry was over-produced, in various lines of ware. All of that is true, as I have previously told you.
Mr. COX. You think that is all right; it is just the way I read it, perhaps.
Mr. SMITH. I don't think it tells the whole picture or gives the whole reasons for certain policies. I think I could do as well, almost, if I had time.
QUESTION OF PRICE-CUTTING
Mr. COX. I am sure you could. I want to ask both you and Mr. Safford another question. I want you to consider it very carefully and give me your answer, and then I think I shall leave this topic. Is it your considered position now that you have no interest in price cutting in the industry, and that you never take any action to discourage that sort of activity?
Mr. SMITH. I would say yes, Mr. Cox.
Mr. COX. With no qualification?
Mr. SMITH. Yes, I will make a qualification. A licensee may come to me, after a year and a half or two years, and say, "My heavens, Licensee No. 87 is pretty bad. He is selling below cost. Can't you do something about it?"
I will say, "Why, no, of course we can't do anything about it; we have no control over that licensee." But the next time I happen to meet the president I may say to him, "Why, Bill," Dick, Tom, or Harry, "you know So-and-so is kind of disturbed. He thinks your prices are kind of bad." And that is all. We have no power overprices; wo don't follow them; we don't know what people are charging. I couldn't tell you what a gross of bottles sells for today.
Mr. COX. Mr. Safford, do you recall a man named Searcy who apparently lives in San Antonio, Texas?
Mr. SAFFORD. That is right.
Mr. COX. Who is Mr. Searcy?
Mr. SAFFORD. He is an attorney who has represented us on various occasions.
Mr. COX. Before I started this I should have asked, did you concur in the answer I have just had from Mr. Smith?
Mr. SAFFORD. I do.
Mr. COX. I am going to hand you what purports to be a copy of a letter which you wrote to Mr. Searcy on August 26, 1932, and ask you if, in fact, you wrote such a letter to Mr. Searcy.
Mr. SAFFORD. Mr. Cox, the company referred to in this letter is the Three Rivers Glass Company.
Mr. COX. Perhaps, before we go into that, I should have the letter back because it is a little hard to tell what we are talking about. This letter is dated August 26, 1932, addressed to S. S. Searcy, Attorney-at-Law, San Antonio, Texas, and I understand it was a letter which you wrote.
Mr. SAFFORD. That is correct.
Mr. COX. The passage to which I particularly call Mr. Safford's attention, and which he is about to explain, I hope, is a passage which reads as follows: "Three Rivers Glass Company has been a perpetual thorn in the side of all the manufacturing companies. It won't assist the other manufacturers in any manner in maintaining general price levels. It isn't because they are more efficient than anyone else (which is a justifiable reason, of course, for lowering the price), but because they are just simply selling at an actual loss in order to stay in business."
"We should like, for reasons of the general commercial situation and also because we feel there is no hope of Three Rivers ever paying us as they should, to take the machinery out of their factory."
Mr. SAFFORD. Well, that statement, that letter was written to Mr. Searcy, as our attorney. If I recollect, the Three Rivers Glass Company was well behind in its royalties. It had started as a real estate proposition and had pretty nearly lost money from the start. I don't know how much in royalties the Hartford-Empire Company lost as a result of that, and several times when we examined statements supplied by that company, it was apparent from the face of the statements that they were selling well below cost.
Mr. COX. You did take the machinery out of their factory?
Mr. SAFFORD. We took the machinery out of their factory, but before that they were in bankruptcy.
Mr. COX. But they were still manufacturing glass.
Mr. SAFFORD. That is a funny thing, Mr. Cox. We got the court order for the withdrawal of our machinery. I think that was in the winter of 1933, and they asked us if they could continue and use that machinery during the winter. Even at that time we saw no possibility of collecting royalties, but we allowed the machinery, as I recollect, to operate for two years more in order to keep up the employment, and I have forgotten in the end how much we failed to collect in royalties.
Mr. COX. Now what I would like to ask you is this, Mr. Safford. You say "for reasons of the general commercial situation" you should like to take the machinery out of the factory. What did you mean by that?
Mr. SAFFORD. I have no recollection.
Mr. COX. If I suggest to you what you meant by that, they were selling glass, as you state in the letter, at cut prices, would that refresh your recollection?
Mr. SAFFORD. They probably were selling below cost.
Mr. COX. And you wanted to put a stop to that situation.
Mr. SAFFORD. Not necessarily, but they always were a low-price house, probably selling below cost. Their freight differentials were over 16 per cent at all times, the average for the industry being eight or nine, so some place they were taking up those freight allowances, and we always felt they were selling far below cost.
Mr. COX. You had been suspicious of them on that ground for some time.
Mr. SAFFORD. Our royalties were behind. We naturally went into their financial situation rather carefully.
Mr. COX. Was it your royalties you were thinking of when you spoke of "general commercial situation"?
Mr. SAFFORD. I think that was part of the picture, yes.
Mr. COX. And price levels at which other manufacturers had to compete had nothing to do with it?
Mr. SAFFORD. It probably had something to do with it, yes.
Mr. COX. I should like to offer this letter in its entirety and have it printed.
The CHAIRMAN. It may be received and printed.
(The letter of four typed pages, dated August 26, 1932, and addressed to S. S. Searcy, attorney-at-law, by the Hartford-Empire Co., was received in evidence and marked "Exhibit No. 123.")
The CHAIRMAN. Mr. Cox, did you offer for this record this document entitled 'Memorandum as to Hartford-Fairmont and Hartford-Empire History and Policy"?
Mr. COX. Yes, I would like to offer that and I would like to have that printed.
The CHAIRMAN. Without objection, it is so ordered.
(Memorandum as to Hartford-Fairmont and Hartford-Empire history and policy, dated March 26, 1928, extracted from the files of the company and reproduced in six photostatic pages, for the Committee by the Company, was received in evidence and marked "Exhibit No. 124.")
Mr. COX. May I inquire how long we are going to sit this afternoon?
The CHAIRMAN . The practice will be to sit until 4 o'clock every afternoon.
Mr. COX. Mr. Smith, you testified that certain of these licenses contain restrictions as to the amount of ware that might be produced with this machinery. What considerations have you taken into account in determining the amount of a particular line of ware which a licensee may produce?
Mr. SMITH. Those licenses that you call attention to, Mr. Cox, are very few and far between. It is not a real picture of a general licensing policy. Very few licenses have those restrictions as to the amounts of ware. A great many have re-strictions as to kinds of ware, but not so many of that. For instance, we have thirty-four licensees in food, thirty-one in prescription proprietary, thirty-one in liquors, twenty-six concerns making perfumery and toiletry, twenty-seven pressure beverages, thirty-two beers, and soon down the line, so the restrictions that you have specifically called attention to really are not the general policy.
Mr. COX. Those number you read to us are unrestricted as to quantities?
Mr. SMITH. Unrestricted as to quantity. I take that back. Most of them are, not every one.
Mr. COX. They have an unrestricted right so far as the field of ware is concerned with respect to the field of ware which you read, but they are not unrestricted in many instances as to quantity, is that right?
Mr. SAFFORD. In some instances.
Mr. COX. Now, you have told us when a man wishes a license, as I understand it, the test in determining what field of ware a manufacturer may enter is what his business is when he applied to you for license. Do you have any same general test which you apply so far as quantity is concerned?
Mr. SMITH. No, I don't think so. I am not conscious of any. If they come along and want the license, the question is, What have you been making? What is the title of your business? What part of the industry do you serve? What customers must you produce for? Do you sell food containers, or do you sell perfumery containers, or do you sell the liquor trade, or do you sell beer," etc., and generally speaking, they got what they wanted; not in every case, of course, but generally speaking.
Mr. COX . Do you inquire at the same time as to the quantity of the particular line of ware which they have been producing?
Mr. SMITH .Sometimes, yes. Not as a general rule.
Mr. COX. Why do you put those quantity restrictions in at all?
Mr. SMITH. Well, if you could give me a case, I think I could explain it.
Mr. COX. Take the Florida Glass Company.
Mr. SMITH. The Florida Glass Company infringed our rights, they lost their suit and they came to Hartford, and their president said he wanted certain rights and we had a discussion in regard to those rights, what he should have, and finally we thought that plus other rights we had given him, 21,000 gross of milk bottles, or 21,000 parts, would satisfy him. He went along and came back and said, "I would like a little more."
"What is it that you really think you need down there?"
"I would like 27,500."
And he got it, and if he came along tomorrow or the next day and said he needed a little larger quantity, we would probably give it to him.
Mr. COX. What I am interested in is why you put any quantity restriction in in the first place.
Mr. SMITH. Because if you didn't, you would at once be giving that man an asset which he might or might not use, and if you give him an unlimited right in that particular case, it might prove very valuable to a lot of other people, stronger concerns that might go and buy him up. The Florida Glass Company didn't guarantee to use extra machines to make the given number of bottles. Our license was to give him sufficient rights in order that he could live and make a profit.
Mr. COX. Why are you interested in preventing a situation where someone else might buy him up?
Mr. SMITH. I think when you just give everybody everything they want, whether they are going to use it or not, you might not have such a sound industry.
Mr. COX. You think it would be an unhealthy industry if every manufacturer could use everything he wanted to?
Mr. SMITH. To use everything he wanted, at every time, I think would be quite undesirable and unhealthy for the industry.
Mr. COX. Why do you think that?
Mr. SMITH. Because I think you would have retaliation to a very great degree.
Mr. COX. What do you mean by that?
Mr. SMITH. A man would attempt to make things he wasn't really fitted to make, he wouldn't produce as good ware, he wouldn't produce ware as economically.
The extra costs and the extra expense of producing ware at the lowest possible price would be seriously affected. And then again, as I understand it, the different fields of ware require different kinds of sales organizations, different kinds of merchandising, but you can get from the manufacturers themselves a much clearer picture of that, Mr. Cox, than you can get from me, and you are going to have them on.
Mr. COX. You think it is proper for you to use your patent rights to prevent that sort of situation?
Mr. SMITH. I do. yes; I think it is sound. I think we maintain and create competition rather than destroy it.
Mr. COX. You think that is better than letting the manufacturers find out for themselves what kind of situation they may be in?
Mr. SMITH. I do. If we didn't think it was better, we wouldn't follow that policy.
Mr. COX. And that, of course, is a decision which is made by your company?
Mr. SMITH. Correct.
Mr. COX. I think I have finished with Mr. Smith. If there is anything I haven't touched upon that you would like to say about any of the answers you have given to me, that is quite all right.
Mr. SMITH. I was in hopes, Mr. Cox, you might say something about compulsory license. Of course, I think if a law is passed, new laws so that you have to give a compulsory license, that it will ruin a great many industries, in that those strongest in the industry, the largest people in the industry, would end up with most of the business, and certainly it would ruin the glass business.
Have you thought of this phase of the compulsory license? Supposing you and I, Mr. Cox, are in the button business, producting [sic] producing buttons and we have a patented process for the finish, and we have a mill in a little town in Texas or up in New England or out on the Coast, and the only reason we can compete with the larger button concerns who turn out mass production is because we can make a quality button, a much better button than they can, and we have a selected trade, and we make that because we have a patented process.
If Congress should see fit to change the laws, why, of course, you and I would have to give the big competitor the right to use that patented process. All his buttons would be quality buttons and you and I would be out of business.
Offhand, it sounds rather nice, compulsory licensing, but just practically it woudn't [sic] wouldn't work out that way. It would do a great injury to so many concerns, and particularly so to the little concern because eventually you have every type of patented process in the hands of the larger concerns. I just submit that idea because it seemed rather far-reaching.
Mr. COX. Mr. Smith, I find your remarks very interesting, as I am sure the Committee does. I want to make clear to you that you may be under a little misunderstanding as to the position of the Department of Justice in that respect. We are not now advocating any such thing as compulsory licensing.
The CHAIRMAN. Some other members of the Committee may ask questions of that kind.
Mr. COX. His remarks brought up one matter that I should like to ask about. Mr. Smith, in granting these licenses, you are faced with a certain amount of bargaining with the licensees; you bargain to and fro as to terms of the license.
Mr. SMITH. Not as to terms. We may disagree with them to some extent about particular details of the license and lease agreement, but the royalty rates are the same to everybody.
Mr. COX. I understand that, but I am thinking particularly as to these provisions as to types of ware and quantity. You do have a certain play; there is a certain play of bargaining there, isn't there?
Mr. SMITH. I haven't done much of that in the last five, six or seven years, and I just couldn't answer you; I don't believe there is such an awful amount of [spell:if;it". There may be some. If I were to come to you and you weren't going to give me just everything I wanted, I would probably plead with you a little bit to loosen up, to be a little more generous. I don't know, but people of our organization can tell you more about that.
Mr. COX. Do you disclose to all of the licensees the terms which are granted to each one, or is that a matter of private arrangement?
Mr. SMITH. Private arrangement.
Mr. COX. So that if I were a licensee and Mr. Safford were a licensee, unless we told each other, we wouldn't know what terms were in effect, each with the other.
Mr. SMITH. If you came to Hartford we would probably tell you, but we don't say to you, "Here is a complete list of every contract we have drawn."
Mr. COX. Would you say it is merely a coincidence that your only two unrestricted licenses have been granted to two of the largest companies in the field?
Mr. SMITH. No, I thought explained that by saying they were doing a national business, they were making broad lines, fields of ware, and they just felt they had to have a broad license, and demanded it.
Mr. COX. I want to ask you one more question, and then I will really terminate. Wouldn't you say that the effect of your licensing policy as you have described it is to freeze the economic structure of the glass container industry into its present form?
Mr. SMITH. I would say to ease the economic structure, because if we hadn't done certain things, the little independent licensees wouldn't be in business today.
COMPLETION IN THE INDUSTRY
Mr. COX. That may be true. What I am inquiring into is this: Isn't the effect of your licensing policy to prevent a manufacturer from going into a field of ware which he has not previously been in?
Mr. SMITH. That partially might be true. I don't think it is wholly true. We do occasionally let people in, but I think as a general proposition if a manufacturer is prospering, if he is making a particular line of ware, that unless he had some very good reason, sound reason, we would question somewhat as to how far we should extend that license.
Mr. COX. Your tendency is to give him a license for the field in which he has been.
Mr. SMITH. Yes, or even if it is going to keep him alive and make him money, we may extend that.
Mr. ARNOLD. You very frankly stated, Mr. Smith, you thought it was undesirable to have everyone able to make all the glass he wanted to because of the various unstabilizing elements which you thought that would introduce into the picture.
Mr. SMITH. That was the general thought.
Mr. ARNOLD. In other words, you think competition in the glass industry is a bad thing.
Mr. SMITH. No, I think it is a very good thing.
Mr. ARNOLD. But free and unrestricted competition?
Mr. SMITH. Do you mean by that that we should give the use of our machines to everybody?
Mr. ARNOLD. No, we are talking about a socially desirable policy for the glass industry.
Mr. SMITH. I would say that any policy that puts into the hands of the consumers glassware at the lowest possible price, if that is true, and I think that is what the industry was doing, was socially desirable.
Mr. ARNOLD. And competition in the glass industry, free and unrestricted competition, is socially undesirable today, you think, or at least you think — and I am not criticizing you in the least — it is undesirable to give the Hartford-Empire Company the right to look over the field and determine the capacity and the quantity and the demand and all of that sort of stuff.
Mr. SMITH. I do, Mr. Arnold, because I don't know who is better able to decide, as I said before, whether there should be 1,000 licenses or 500 or 300, or 50. Now that has only to do with our own inventions and our own machines. If somebody else comes along with a new idea, something that is revolutionary — Mr. ARNOLD (interposing). You would buy it up.
Mr. SMITH. We would have to take a back seat or get some new arrangement.
Mr. ARNOLD. But you would like to get control of the new idea, and to maintain this humanitarian, fraternalistic policy toward the industry.
Mr. SMITH. No.
Mr. ARNOLD. I am not using those words critically, but I thought you do have a humanitarian idea here.
Mr. SMITH. I think we tried to encourage the manufacturer to produce better goods all the time, to sell them at a lower price. I think we feel a distinct moral obligation of good business ethics to continue to help keep him in business, but of course if we get paid for it, we are not a charitable institution.
Mr. ARNOLD. I wasn't criticizing the profits at all. I was simply bringing out what I thought to be your policy, that you thought it was socially desirable to have someone with pretty complete power to determine who would go in and who would stay out of the industry, in the interests of stabilization, and that you thought the Hartford-Empire Company was a pretty good repository of that power.
Mr. SMITH. I think that so far as we are concerned — and I haven't given enough thought to the various other kinds of industries —
Mr. ARNOLD (interposing). I was talking about glass.
Mr. SMITH. I think as far as glass is concerned, the industry has been very much benefited by our policy.
Mr. ARNOLD. And in so far as in other industries we could find wise people to keep out this ruinous competition, and to exercise the paternalistic and humanitarian policy, that also would be a good thing?
Mr. SMITH. Yes, if you can find people who live with the industry day by day and have something to offer that industry, and they are part of that industry, but I wouldn't want a board who wasn't in the business, or creating anything, to sit down and have a power like that.
THE CARTEL SYSTEM
Mr. ARNOLD. And you would rather have that power in private hands than you would in governmental hands?
Mr. SMITH. I certainly would, Mr. Arnold, I am sorry.
Mr. ARNOLD. That is substantially the argument made in favor of the European cartel system, isn't it?
Mr. SMITH. I don't know as I know much about that.
Mr. ARNOLD. Do you know the Euro-pean cartel system?
Mr. SMITH. No, I am not familiar with it.
The CHAIRMAN, It would appear from the testimony that was submitted this afternoon, Mr. Smith , that your company, by virtue of cerain [sic] certain patents granted by the Government of the United States, is in position practically to dominate the manufacture or the production of glass containers.
Mr. SMITH. No. For instance, there is the great suction machine that produces such an enormous quantity of bottles.
The CHAIRMAN. What percentage was that? You said something less than 40 per cent.
Mr. SMITH. Twenty-nine point some-thing, I think.
The CHAIRMAN. So you are producing well in excess of 60 per cent.
Mr. SMITH. But that is a normal thing to have happen, isn't it, Senator? If we have invented and created the most efficient —
The CHAIRMAN (interposing) Don't misunderstand me, I am not criticizing, I am trying to develop the conclusions which we must all reach after having listened your testimony. Your company has received from the Government of the United States certain patents which may or may not be granted, according to the position that Congress may take with respect to matters of public policy, so that you are the beneficiary of a grant of power from the Government of the United States, that is from all the people.
Mr. SMITH. Quite true.
The CHAIRMAN. And as the result of that grant, your company now, through its control of patents, dominates this particular industry.
Mr. SMITH. That is right, if you leave out the suction.
LEASES; NOT SALES
The CHAIRMAN. And you do not sell your patents, you do not sell the machines that are made under them, you follow a policy of leasing only. No person may buy a machine outright, and no person or company may use a machine except under the condition that you laydown.
Mr. SMITH. Correct.
The CHAIRMAN. So you follow as a policy the program of strictly examining the power of every licensee to produce.
Mr. SMITH. Correct.
The CHAIRMAN. And you define that power.
Mr. SMITH. Correct.
The CHAIRMAN. You say to Licensee A, "You may produce so many bottles of such a kind and character."
Mr. SMITH. Not so many, only in a very few instances. "You may produce bottles of such and such character."
The CHAIRMAN. But you never impose —
Mr. SMITH (interposing) . Only in a very few instances.
The CHAIRMAN. You do, then, reserve the right to limit the production?
Mr. SMITH. Correct.
The CHAIRMAN. And you exercise that right in some cases?
Mr. SMITH. Correct.
The CHAIRMAN. So that your licensees are under obligations to come to you to find out how many bottles they may produce, and what kind of bottles they may produce.
LIMITING PRODUCTION
Mr. SMITH. Primarily what kind. Very seldom how many. There are some, but there are many more licensees as to kind rather than the restrictive number.
The CHAIRMAN. In most cases, you want the Committee to understand, your desire is to control only the kind of bottle that may be produced by a particular individual, and not the quantity.
Mr. SMITH. Both are true. We have restricted in certain cases the quantity. In most cases we merely restrict the kind.
The CHAIRMAN. And why did you restrict the quantity in those cases?
Mr. SMITH. Because we felt that if that satisfied the licensee's needs and his desires, and if by doing otherwise he was going to overproduce to the disadvantage of somebody else, we would do that.
The CHAIRMAN. And who determines the needs of the licensee and whether or not what he desires to do will be over-production?
Mr. SMITH. The licensee comes to Hartford and he tells us about his business, what his requirements are.
The CHAIRMAN. And so by virtue of this grant which Congress has given you, through a patent, you undertake to exercise your judgment as to whether he has correctly stated his need or the desire to operate?
Mr. SMITH. That is quite true.
The CHAIRMAN. Now that boils down, does it not, Mr. Smith, to the exercise by your company of the right to control both the production and the price at which —
Mr. SMITH (interposing). Not the price; we have nothing to do with the price.
CONTROL OF PRICES
The CHAIRMAN. I understand you testified that in none of these contracts do you impose a resale price, but if you can control the production, you can thereby control the price, can you not?
Mr. SMITH. No. There has always been, since we have been a corporation, an over-capacity. There is today a large over-capacity in the industry. It is running at 60 per cent of full capacity.
The CHAIRMAN. But under this policy which is now permitted apparently by the patent laws, at least, you could, if you desired, or some other corporation if it were in your place and none of your officers had anything to do with it, would be empowered to say to the licensee, "You may not sell these containers which you manufacture for less than such and such a price."
Mr. SMITH. That may be true , but I don't know that it is true. It is a question that we haven't gone into because we don't want to have anything to do with the price or the sale of the articles made on cur machines. It might be true that we could get five lawyers that would say, "You can do it if you want to," or other lawyers that would say, "You mustn't doit, you are on the border edge," but we do not attempt to do it and we have no interest in doing it.
The CHAIRMAN. But you can control the production.
Mr. SMITH. The production, as to what they make we can control.
DIFFERENCE IN MARKETS
The CHAIRMAN. Why is it that you have as a policy refused to follow a policy of unlimited licenses, by which the licensee would be at liberty to produce as many, and as many different kinds of containers as he desired?
Mr. SMITH. I tried to explain to you that first of all, in different types of ware, liquor ware, packers' ware, toilet prescription ware, the various types of ware had to be marketed in a different way, one from another, and I think the manufacturers could explain it to you much more clearly than I could.
The CHAIRMAN. I think you explained it very clearly.
Mr. SMITH. It takes a different kind of organization. If a licensee is making his business and making, say, prescription ware, that is his advertising program, that is his sales force, are tuned up to that particular kind of a business. Supposing he came to us and said, "Well, after all, I would like to make packers' goods," and we had a licensee fifty or a hundred miles away who was in the business of making packers' ware, but which he again sold in a different way, I doubt whether we could give the prescription fellow the right to make the packers' goods.
RESALE PRICE POLICY
The CHAIRMAN. And what is the reason that you doubt that you would grant it to him?
Mr. SMITH. I doubt if it would be good business. It might be demoralizing.
The CHAIRMAN. In other words, it might affect the resale price, so that this policy is, after all, a policy designed to maintain the price.
Mr. SMITH. Well, I wish could answer you "yes" or "no." It has never occurred to me. Our policy maintains a price. I would say our policy has prevented ruinous competition.
The CHAIRMAN. That's right.
Mr. SMITH. But as to the price level, or anything of that sort, it maintained a stability in the industry. Labor has been employed continuously, I think, probably better in the glass industry than in any other industry during the depression years.
The CHAIRMAN. And that is because you have the power granted to you by Congress —
Mr. SMITH (interposing). I think we have helped, with no great fluctuation.
The CHAIRMAN. But it is because you have had the power, through a grant from Congress, to control the production in this particular field, and by controlling production, also to control the price.
Mr. SMITH. Also to help stabilize.
The CHAIRMAN. All right, we will put it in that euphonious way, to stabilize the industry. As Mr. Arnold indicated, that is the argument always advanced for the control of industry by private persons, is it not?
Mr. SMITH. I don't know as I quite understand that question, sir.
The CHAIRMAN. That, of course, is perhaps going a little bit a field.
Let me ask you, now, how do you fix the royalty which you charge, and the license fee?
ROYALTY FEES
Mr. SMITH. The royalties were fixed when we first started business, and the only change in those royalties has been reductions, and they are based on a sliding scale. If you make a ten-ounce bottle, it is one royalty; if it weighs seven ounces, it is another royalty; if it weighs fifteen ounces, it is another royalty.
We determined that by figuring out what the saving would be, either the saving in labor or the total saving, and we struck some very interesting figures, and finally established on what we call about one-third of the price of the saving in labor or the total saving, and we have never changed those figures. I think somewhere here we have the exact situation, but roughly speaking, two-thirds of the saving went to the manufacturer and we collected one-third.
Now, that was a very tangible third, but the manufacturer made a great deal more money than that, because if he had a large tank filled with molten glass, a hundred tons of this molten glass in a tank, he had to make money. The only way he could make money was to put into salable ware so many tons of glass a day, and the fact that our machinery let him put so many more tons per day than he had ever been able to put before, he had a great saving in overhead.
VACUUM SEAL ON JARS
It is a rather romantic situation. don't want to keep you, but our company came into being through an idea. Here was a glass manufacturer who was making jars for the Beech-Nut Packing Company. You remember in the old days you bought your bacon and mustard and peanut butter and still do, to some extent, in glass jars, and the Beech-Nut Packing Company developed a sealing which automatically made a vacuum seal on the jars. They found they couldn't get accurate enough jars to do that without great losses. They were using millions and millions of jars each year and they went and complained to the manufacturer producing these by hand, and said, "Your jars are costing us too much money. Freights are too great; we are losing a lot of them in this sealing process. For heaven's sake, let's get together and hire some engineers in Hartford to see if we can't make glass automatically."
That is the start. Mr. Peiler, in 1911, started to investigate the glass industry and he found there was only one automatic means of producing glassware, and that belonged to the great Owens company, a suction machine. We made a complete study of the patent situation and finally Mr. Peiler, the inventor, evolved this method of feeding glass.
At that time all the hand people were having pretty tough sledding.
The CHAIRMAN. I think, Mr. Smith, it is the intention of the Department of Justice to go into the history.
Mr. COX. We are going to put that in.
The CHAIRMAN. If you want to make a suggestion, Mr. Goodrich —
Mr. GOODRICH. Yes, please.
A LEHR CONTRACT
The CHAIRMAN. Mr. Smith, two contracts were put into the record this afternoon, one of them the Whitall-Tatum contract —
Mr. SMITH (interposing). As regards a lehr.
The CHAIRMAN. Each of which contains a provision reserving to your company the right to withdraw the license from any licensee who uses the particular machine thereby licensed in connection with any other machine which is not licensed by you.
Mr. SMITH. That was our policy. Now let me explain, if I may . That still is our policy as regards our forming machine, because we have a hook-up between the feeder and former which is under patent, so we are considering that one unit, and it is a little different situation from the lehr situation.
The CHAIRMAN. But you have abandoned that policy with respect to lehrs?
Mr. SMITH. The stacker and the lehr.
The CHAIRMAN. Do you wish the committee to understand that except for these two cases you have come to the conclusion that that policy of restricting the use to machines which you yourself control is not followed any longer, except in these two instances?
Mr. SMITH. You are referring to lehrs?
The CHAIRMAN. Yes. I understood the testimony of Mr. Safford to be that that had been eliminated from the general contract.
Mr. SMITH. Yes; not as far as a feeder hooked up to our forming machine is concerned.
The CHAIRMAN. But you still feel that you have the right to reserve that right if you care to do so?
Mr. SMITH. Yes, because that is a different situation and under a different set of patents, and we have patents on the combination, I musn't get into the technical end of this thing. I really know nothing about it.
PATENT HOLDER VS. USER
The CHAIRMAN. Of course that suggests to my mind, as a member of Congress, whether or not it is a wise thing for Congress to allow any law to stand which enables the holder of any patent to say to the user of that patent that he may not use it in connection with any other patent, unless the licensor permits him to do so. You see the question that it raises.
Mr. SMITH. I think that would wholly depend upon so many varying situations. What is the patent situation at that time? What does the patent cover? It may cover two machines. As a matter of fact, we have let people use our lehrs with other machines. and the situation varies to such a degree and has so many legal angles that if you would like to go into that, I wish you would ask our attorneys tomorrow.
The CHAIRMAN. Secretary Patterson, I am rather apologetic. I think I have taken up a good deal more time than I wanted to. Do you have some questions to ask the witness?
FOREIGN PATENTS
Mr. PATTERSON. Most of my questions of Mr. Smith have been answered, but there are one or two with reference to the international aspect.
The CHAIRMAN. Mr. Patterson, would you care to come over here?
Mr. PATTERSON. Mr. Smith, I am going to cut these questions rather short, because you have been on the stand two hours and it is rather burdensome.
Is any part of the process you use subject to license from foreign patent holders?
Mr. SMITH. No.
Mr. PATTERSON. None whatsoever?
Mr. SMITH. Not if I understand you correctly.
Mr. ROBINSON (of counsel for the witness). That is substantially correct. One particular patent I have might possibly bear.
Mr. PATTERSON. Is any of your machinery leased to foreign glass manufacturers, Mr. Smith?
Mr. SMITH. None leased. We have sold our patent rights in seventeen different countries, but we have sold those rights outright. We have no ownership, nor do we collect royalties or anything of that sort from across the water.
Mr. PATTERSON. In seventeen foreign countries, and you have no further connection with them — sold outright, you have your money, are not represented on the boards, and it is a clean slate?
Mr. SMITH . That's right.
Mr. PATTERSON. Go right along and develop that, Mr. Smith, if you have any thoughts on it.
Mr. SMITH. They thought there might have been one point where I was 99 ½ percent right and ½ per cent wrong, and they were trying to clear it.
Mr. PATTERSON. You are ahead of most of us if you are 99 per cent right. I might tell you, Mr. Smith, I am personally getting this more or less for the Patent Office. My colleague, the Commissioner of Patents, is here with me and we are after developing certain information which will help us, not only in the Committee work but with the Patent Office end of it, when it comes to legislation.
Have you any idea as to what percent-age of the total glass container production of these seventeen foreign countries is made on your machines?
Mr. SMITH. No, I really haven't. I think in England — well, I haven't that statistics. Our equipment is used there quite extensively; it is used quite extensively in France. I haven't heard much about Germany lately, Czechoslovakia, Argentine, Brazil, even in China, and is used extensively in Japan. There may be others. I am not ticking very well just now.
Mr. PATTERSON. That is a satisfactory answer, Mr. Smith. Thank you.
Now, is there any clause in your leasing contracts restricting their use? You sold these outright. In your bill of sale or in your contract to these foreign manufacturers, are they restricted from selling in the United States or in any other market?
Mr. SMITH. No. You see what we did, we took out patents in all these foreign countries, and when the patents issued, like the British patents, French patents and so on, the manufacturers over there came over here and said ,"Here, we would like to buy your patents," and we sold them, and in some cases where we hadn't patents issued up to that time they agreed not to ship the machines into that country which had no patents, to protect our particular type of machine.
WORLD PRODUCTION
Mr. PATTERSON. Thank you. Have you any idea, Mr. Smith, as to the per-centage of world production produced in this country, in the United States?
Mr. SMITH. No, I haven't the least idea.
Mr. PATTERSON. You do have some idea, though, I imagine, as to how the costs of production compare here versus the leading countries abroad.
Mr. SMITH. No; I'm sorry. I think you can get that information from a manufacturer of glass. Personally, I have none.
EXPORTS AND IMPORTS
Mr. PATTERSON. We can get that a little later on.
Now this is my last question. I am advised that the exports of glass containers during 1937 were valued at $3,320,000 and that imports during the same year were valued at $719,000, which is a comparatively small quantity in relation to domestic production of $161,000,000. This indicates that the United States container manufacturers must be among the world's lowest cost producers. Now, Mr. Smith, would you say that this is principally due to the development of automatic machines in this country?
Mr. SMITH. I think so, yes.
Mr. PATTERSON. Anything else?
Mr. SMITH. Well, further than that, of course, you have great research and development undertakings here. We spend a great deal of money, several hundred thousand dollars, five or six hundred thousand dollars, perhaps, on research and development. Other big research concerns are doing the same. I suppose Corning Glass Works has the finest research laboratory in the world, and when you tie up all those things, and the aggressiveness and inventive ability of the United States, it is a leader in glassware. It is just bound and got to be satisfactory.
Senator KING. You have more efficient labor, too, do you not, and greater use of electrical appliances to be used in connection with the machinery.
Mr. SMITH. That I wouldn't know, Senator. Of course in some of the countries where you have such free water power across the way, that may have a similar effect. I am not prepared; I don't know enough about the subject.
The CHAIRMAN. Do any other members of the committee have any questions to ask before we recess?
Mr. DAVIS. Mr. Smith, can you tell us whether any machine manufactured in these foreign countries under your patents is shipped into the United States?
Mr. SMITH. No, none. None are shipped in at all under our patents. It isn't permissible. We wouldn't allow it.
Mr. DAVIS. You mean you have a clause against that in the sale of the patent? Did you have a contractual provision against shipment of machines into this country?
Mr. SMITH. In some cases in the early days we did.
Dr. LUBIN. Mr. Smith, may I ask whether your corporation owns any patents which are not now being used in connection with either the manufacture or development of your own product?
Mr. SMITH. I wouldn't know. I suppose there are some.
Mr. ROBINSON. I have got some, but I don't think the principal ones are included.
Dr. LUBIN. Do you own any patents applicable not to your own machinery, but to machinery manufactured by other people?
Mr. ROBINSON. Yes, I have some.
Dr. LUBIN. In other words, those patents are being held by you so that in the event anybody else should use that procedure or method on machines other than yours, and they are not applicable to yours so that they can't be used on yours, you are in position to bring infringement suits against them?
Mr. ROBINSON. I happened to think of one case in which we have licensed the other machine.
Dr. LUBIN. Can you tell me how many cases of infringement you have brought in the last five years?
Mr. ROBINSON. I haven't been sworn as yet. That is in a book which Mr. Cox is going to introduce.
Dr. LUBIN. May I ask a question of Mr. Smith. You may not be in a position to answer it, but I would be interested if you could. If I were a person with the necessary capital and reputation and I wanted to go into the production of milk bottles, and assuming for the sake of argument that at the time I came to you and asked for a license the milk bottle production was more or less on a par with the market situation, in other words, you didn't have that large over-capacity that you now have, would you give me a license in preference to somebody who already owned a license who wanted to expand his production?
Mr. SMITH. That is a pretty tough question. We certainly would receive with great seriousness your application .Whether we would give it to you or not would depend on probably ten or fifteen other different reasons. I just can't tell you. I can get up a set of reasons sometime. I can't tell you now.
I don't think you meant to imply it, but certainly we would see that the production capacity was maintained so that, so far as our machinery was concerned, milk bottles were being produced at the lowest possible cost.
Dr. LUBIN. But you couldn't say at this time that in the event production was being increased —
Mr. SMITH (interposing). I said your application would receive serious consideration.
Dr. LUBIN. Let me ask one final question. I note in your testimony you mentioned the fact that one of the companies that has freedom to produce in unlimited quantities and, with few exceptions, freedom to produce unlimited types of glass is the Owens-Illinois Glass Company. Is there a financial relationship between the Hartford Empire and the Owens-Illinois through the Owens-Corning and the Empire Machine?
Mr. COX. We are going into all of that question.
Mr. SMITH. There is that chart.
RETAIL PRICE TREND
Senator KING. I would like to ask one question. By your policies which you have pursued, have the prices of your products been decreased, cheapened?
Mr. SMITH. The prices of glassware to the consumer have been continuously decreased.
Senator KING. Is that a result of your policies or the result of your licensees', or both?
Mr. SMITH. I should say when you manufacture by the use of our machines you manufacture at the lowest possible cost, and that has been continually happening, according to our figures. Glassware today, certainly in a number of fields, is being offered to the consumer at a far less price that it was a few years ago, but there again the manufacturers themselves can speak for that. I am in no position to speak for them.
Senator KING. Do you think the policies which you have pursued, you and the manufacturers, either individually or jointly, have resulted in the cheapening of the prices?
Mr. SMITH. I don't think there is any question about it.
Senator KING. Do you think your policy has in any way, and if so to what extent, made for monopolistic control of prices, either of production or of distribution?
Mr. SMITH. No, I don't think there is any monopolistic control. I think we have so many licensees that are competing, one against the other, in various fields of ware, that there is no control.
Mr. ARNOLD. Well, you said a while ago that there was a monopolistic control but it was in wise hands.
Mr. SMITH. So far as the use of our own inventions is concerned, yes, but that use has been spread to such a degree, there are so many manufacturers using our equipment, that there is a free competition between those manufacturers.
Mr. COX. I would like to put in the record this memorandum on "Policy of the Hartford Empire Company" that was discussed and that I read from this morning. It has been identified.
Mr. SAFFOID [sic] SAFFORD. Mr. Cox, could it be put in as a personal memorandum or Mr. Herbert Knox Smith?
Mr. COX. I will offer it on these terms, that it is a memorandum entitled "Memorandum On Policy of Hartford Empire Company, February 18, 1930," which we took from your files and which we understand was written by Mr. Herbert Knox Smith. That is as far as I can go.
The CHAIRMAN. Which the witnesses have said was apaprently [sic] apparently written by Mr. Herbert Knox Smith.
(A memorandum, "Policy of the Hartford-Empire Company, а pamphlet of 30 pages, dated February 18, 1930, was received in evidence and marked Exhibit No. 125. The memorandum, taken from the files of the company, discusses the development of the company in its patent and license policy, and summarizes its attitude in such fields.)
Representative SUMNERS. Mr. Smith, are you going to be available tomorrow? Do you want to leave this evening?
Mr. SMITH. I had hoped to be excused, but Mr. Cox tells me that he may want me back again. I don't think I have much else to offer.
Mr. COX. Much as I regret it, I am going to have to keep Mr. Smith here for part of this week, at least, I think.
Representative SUMNERS. Mr. Smith, these other people have just been skimming around what you know, and tomorrow I want to ask you two or three questions that will really explore your wisdom.
The CHAIRMAN. Thank you very much, Mr. Smith.
The Committee stands in recess until tomorrow morning at 10:30.
(Whereupon, at 4:30 p.m., a recess was taken until Tuesday, December 13, 1938, at 10:30 a. m.)
APPENDIX
THE REGULATION OF BUSINESS COMPETITION
SPEECH OF SENATOR O'MAHONEY, CHAIRMAN OFTHE TNEC, BEFORE THE 43RD CONGRESS OF AMERICAN INDUSTRY DEC. 8, IN NEW YORK.
THE subject which has been assigned to me seems to imply an assumption, first, that competition is desirable, and second that it is or should be subject to regulation.
With the first of these assumptions there will, I suppose, be little disagreement, at least, in our country. We are all aware, of course, that from time to time throughout history there have been attempts on the part of private persons to suppress competition in particular lines and that in other countries, if not in this, the political doctrine has been advanced that government should abolish competition and assume complete control of all business. American opinion is overwhelmingly opposed to both of these policies. The people of this country, it may be safely said, want to preserve competition in business because they believe that it is the best method of keeping the door of opportunity open to all. Because they want to preserve competition, they are inherently opposed to its suppression by either private or public authority.
EXTENT OF REGULATION
To attain this objective the must be regulation, that is to say, there must be a rule to which all subscribe, a rule drafted in the public interest which shall foster and encourage that trade and commerce on which the economic prosperity of the whole people depends. There never has been a time in the history of the United States when there has not been some regulation of this character. Likewise, there never has been time when there has not been debate as to the extent to which such regulation should go. That is the question now. It was the question 48 years ago when the Sherman Antitrust Law was enacted.
Then, as now, it seems to me, the underlying principle to which most Americans have given their allegiance may be best expressed in the very lucid phrase of Thomas Jefferson, "That government is best which governs least." Regulation should not be so mild as to permit abuses which stifle or suppress business nor so stringent as to throttle progress. If anyone makes objection that this is an im-possible balance, a sort of straddle which gets nowhere, my answer is that such a person has not read the history of his country.
THE "COMMERCE" CLAUSE
The Constitution of the United States was drafted and ratified largely because business men in the days following the Revolutionary War believed that the Continental Congress did not have sufficient authority to regulate national commerce. So, almost without exception, they gave their support to an instrument which transferred from the States to the central government complete authority "to regulate commerce with foreign nations and among the States." Observe, it was a power "to regulate" and it was taken away from the States and given to the federal government at the behest of business men who wanted Government to stabilize business.
The power was complete, subject to no limitations save those contained in the Constitution itself, but it was never exercised to its full extent because the legislative and executive branches of the government have always wanted to allow the greatest possible latitude to the people for the development of private initiative and have never believed that Congress is wise enough to draw a "blueprint" for the future.
One of the first Acts of Congress was one to regulate shipping, because that was deemed necessary. But a hundred years passed before the Interstate Commerce Act was enacted. Members of Congress in 1789 could not possibly foresee the railroad system that developed after the Civil War. Members of Congress in 1887 could not possibly foresee the vast systems of air lines and radio so familiar to us. So always they wisely refrained from attempting to bind the future. Consciously or unconsciously they adhered to the Jeffersonian dogma.
THE SHERMAN ACT
This fundamental concept of the kind of regulation which government should undertake is well illustrated by the Sherman Antitrust Law. It is a statute which has been widely misunderstood and variously interpreted or misinterpreted. For example, many seem to believe that it is antagonistic to size in business, but it is not. People fear size, and rightly so, for a giant is supposed to have an advantage over an ordinary person. But the antitrust law does not prohibit size as such. It is merely directed against certain practices in interstate commerce which, under what we call Anglo-Saxon law, have always been regarded as abuses detrimental to the public interest.
In other words, the principle of the antitrust law was developed long before business had expanded beyond merely local boundaries, long before the corporation was anything but an instrumentality of quasi-public enterprises. We think of size in connection with the antitrust law because it is perfectly apparent that a contract in restraint of trade by the large units of modern commerce is far more injurious to the public welfare than a similar contract by two barbers in an inland town. The one may affect the livelihood of thousands, the other only that of the parties to the contract.
Elementary as the subject may be to this audience, a proper understanding of the present question of business regulation requires a brief examination of the nature and purpose of the Sherman law.
For one which has been the subject of so much variety of opinion, it is apparently a very simple statute. The first section provides, in so many words, that
"Every contract, combination in the form of trust or otherwise , or conspiracy in restraint of trade or commerce among the several States or with foreign nations, is hereby declared to be illegal."
It is then provided that the making of such contract is a misdemeanor and by Section 2 it is provided that "Every person who shall monopolize, or attempt to monopolize or combine or conspire with any other person or persons to monopolize any part of" interstate or foreign commerce shall also be guilty of a misdemeanor.
These two sections constitute the gist of the law which affords redress both by civil and criminal procedure. The first sentence, which makes a contract in restraint of trade illegal, merely has the effect of making the contract unenforceable among the parties to it. The second sentence makes such a contract an offense cognizable in the criminal courts, and the second section likewise makes it a criminal offense to monopolize or attempt to monopolize any part of commerce.
COMPETITION
There can be no doubt that the principal objective of those who drafted this law was to preserve competition. They believed that trade and commerce could be most effectively regulated in the public interest by the enactment of a law to prevent suppression of competition. Indeed, as Senator Sherman introduced the original bill it referred specifically to the suppression of competition rather than to restraint of trade." The latter phrase was used because it was the language of the common law of England and the belief was entertained that a familiar phrase could be more effectively enforced thana new one.
The underlying philosophy of the common law and of the antitrust law, therefore, is the same. It is that the opportunity of the individual to engage freely in trade or commerce, that is to say, the opportunity of the individual to support himself by commercial or industrial activity, is so precious and so necessary for the public good and the maintenance of society that no one should be permitted to cut it off. More simply stated, it is that the right of every individual to work is so essential to public welfare that no man can even give it up. It is one of the inalienable rights of the Declaration of Independence, one of those rights which can be neither taken away nor given away. And so it was that under the old English common law, blacksmith entered into a contract with another blacksmith, even for a consideration, that he would never again engage in business, the contract was unenforceable as against public interest.
NO NEW LEGAL PRINCIPLE
It becomes clear now that he would bein error who imagined that the Sherman Antitrust law introduced a new principle. It was essentially the restatement of an old principle. It was not adopted until 1890. Why? Because business was primarily local until about that time and local laws were adequate. But when industry, trade, and commerce began to over-flow state boundaries, then, in the judgment of the public, it became necessary to apply the old doctrine to interstate commerce. When, in the opinion of Congress, the danger was growing that combinations and mergers would restrict the freedom of the people to engage in national trade and commerce , the first of the antitrust laws was passed, and the entire history of the relation of business and government since that time has been the history of an attempt on the part of the people to preserve competition, to keep business free, to maintain the right of the individual to work.
During all this time business was getting bigger and bigger in more ways than one. It was getting bigger in the sense that its geographical boundaries were expanding. Transportation and communication were becoming easier. It was getting bigger in the sense that more persons and more capital were joining in the same enterprise. Corporations were succeeding natural persons and partnerships as the units of trade and industry. It was getting bigger in the sense that able and aggressive men were beginning to practices that had long been condemned by common consent of a free people to suppress competition, to restrain trade, to make unreasonable profit at the expense of the public. Mergers, combinations and trusts began to appear, and the disparity between the rich and the poor began to grow.
With the normal expansion of business by reason of the progress of science and the use of the corporate device, no one can quarrel. A big country needs big business. The railroad, the telegraph, the telephone, the radio, the airplane, the motor car, none of these could possibly have been developed save by the collective effort of thousands in the modern corporation. Of artificial expansion through the use of force and guile and violation of traditional principles of public welfare there can be no tolerance. I suppose it is un-necessary to attempt any catalogue of the abuses which common sense and justice condemn. Let me, however, read a single sentence from a message on federal incorporation sent to Congress on January 7, 1910, by President William Howard Taft. —
"But if", said he, "'they' (meaning the owners or managers of business) attempt by the use of their preponderating capital and by a sale of their goods temporarily at unduly low prices to drive out of business their competitors, or if they attempt by exclusive contracts with their patrons and threats of non-dealing except upon such contracts, or by other methods of a similar character, to use the largeness of their resources and the extent of their output compared with the total output as a means of compelling custom and frightening off competition, then they disclose a purpose to restrain trade and to establish a monopoly and violate the act."
SHIPPING ACT OF 1916
Many instances of these practices are, of course, well known to every student of the problem, but to illustrate more clearly the nature of the devices which have been used from time to time to restrain trade, suppress competition and promote con-centration of economic power, it is only necessary to recall that the Shipping Act of 1916 wholly absolved from the prohibitions of the Antitrust law agreements to fix rates, pool earnings, regulate the sailing of vessels, apportion traffic and allot ports.
All of these and many other devices have been used during the past generation, covertly or openly, directly or indirectly, to control the trade of the nation and of the world. So we have a condition that with the most marvelous technological development imaginable, with a greatly raised standard of living largely because of these technological advances, we suffer nevertheless appalling economic instability and social in security.
While business, both natural and artificial, was growing bigger, a new school of thought began to appear with respect to the attitude that should be assumed by business. Out of the schools and colleges, out of banking houses and executive offices came the new philosophy. The age of competition is over, said some economists and some business men; the age of combination has arrived, and our ideas must all be revised. But those who were preaching the passing of competition didn't all cherish the same objective.
One group didn't want antitrust laws with their old-fogey philosophy of com-petition because they wanted Big Business free of all government regulation. The other group didn't want the antitrust laws enforced because they saw in progressive combinations and mergers, in continuing concentrations of economic power and wealth, a trend that would lead inevitably to the absorption of all business by government.
Here are the two concepts of economy now at work in the world, both of them undemocratic, both of them the very antithesis of the principles on which our government was founded, both of them leading inevitably to the authoritarian state, and neither of them preserving the American ideal of the inalienable right of every person to work.
PROBLEMS OF REGULATION
Out of this conflict of opinion and objective have come many suggestions of the form regulation should take. Roughly they may be divided into two general categories:
First, those which would increase the discretionary control of government over business by setting up some form of tribunal which in particular cases in advance of action could tell business what it may or may not do.
Second, those which would more clearly define the acts which are prohibited and provide for better enforcement.
Between these two extremes there are, of course, various other proposals which I shall not attempt to analyze now. If, however, I may be permitted to express a personal opinion, I should like to say that the continued expansion of discretionary government control over business is dangerous.
The economic life of a people is a dynamic thing, constantly changing, constantly developing. It thrives best in a free atmosphere. Once it is brought within the power of any man, board, group or faction to control, it ceases to be natural and inevitably becomes restricted by the ideas, the comprehension and the predilections of the men exercising the power. It is not a democratic system.
I cannot look abroad in the world without an ever-growing conviction that no desirable substitute for competition has been proposed and that our objective should be the development of a rule by which the practices which we all know to be wrongful shall be effectively banished. If a regulatory law depends for its effect on active policing, it is likely to be a nullity. If it is necessary to enforce a law in the sense of compelling unwilling obedience, the law is almost certain to be a failure from the start. As has been said over and over again, law is only the crystallization of public opinion, so the first thing to do in the regulation business is to develop a public consciousness of the ends to be served and the evils to be avoided.
THE MODERN PROBLEM
Certainly, we know that now idle men, idle money, idle material, to adopt the eloquent phrase of Mr. Kettering of General Motors before the Economic Committee in Washington on Tuesday last, are all waiting to be utilized for the common good. We want jobs for the unemployed, real jobs at real wages. We want markets for the products of the farm and the factory. Those markets cannot be obtained unless we develop the jobs, and we cannot develop the jobs unless we are willing to create the markets.
Agriculture and industry, labor and investor, producer and consumer, we are all in exactly the same position. We cannot succeed one without the other. We stand together in a bewildering crisis with the world rushing headlong backwards to the doctrines of hatred and force. Ours is the opportunity to teach the world that only a free people governing themselves with tolerance and good will can achieve a lasting prosperity.
When, therefore, it is suggested that business should be permitted to regulate itself without what is called government interference, it is merely proposed that one element of society should be permitted to draw the rule which will affect all the others. This is the method by which trade associations have sometimes sought to exploit the public by fixing prices, eliminating production, or attempting to exclude new comers from the field .
STANDARDS OF LIVING
Nevertheless, when large investment is made in industry, when plant and stock represent the capital contribution of hundreds, if not thousands, and when on the continuous operation of the unit depend the jobs of other thousands, it is obvious that the temptation to resort to restrictive practices is great. The disastrous effect upon the whole people of the failure of a large enterprise is a matter of such concern to all factors of society that the government, as the only adequate agent of all, is inevitably drawn in. Such, for example, is the case with respect to the railroad problem. Too many workers, too many investors, too many shippers, too many consumers to make it possible for the government to shirk responsibility.
In our time we have seen the living standards of Americans raised far above anything ever dreamed of in the world before, but it is a highly fragile and unstable standard, for it rests in such great measure upon the production of things that are actually not needed to sustain life.
How many modern manufacturers produce articles the purchase of which can easily be postponed, not alone from month to month, but from year to year? And how many of these articles are such that they can be produced only by large corporations, with huge capital investments and veritable armies of employees?
When the purchase of such products is postponed, the economic result is bound to be transmitted from city to city and from state to state across the whole country. Obviously the rule or regulation by which business of this type is to be guided cannot be written by the competitors alone. It must be written by the government, the people's government, in the interest of all.
NEW FORCES; NEW CONDITIONS
We are dealing with new forces, working under new conditions. Modern civilization is highly complex, differing widely from the more primitive but more stable, though less satisfying, eras which have preceded it. Our problem is to stabilize this new economy on the higher plane it has attained through the production of commodities which are actually luxuries but which, though in more or less common use today, could not have been enjoyed by the most absolute of rulers even a century ago.
The continued success of modern business is thus firmly bound to the prosperity of the masses, because if they can-not purchase the products of industry, production declines, employment declines, and eventually profits also.
These are the considerations, which prompt me to say that the greatest need of our people today is a forum in which worker, investor, and consumer, agriculturist and industrialist, business manager and statesman may confer and in a spirit of mutual confidence work out the rules whereby twentieth century competition may be regulated for a twentieth century civilization, a civilization firmly grounded in the free principles of American democracy.
·
·
APPENDIX
(Exhibit No. 112)
THE MANUFACTIURE OF
BOTTLES
PREPARED BY THE DEPARTMENT OF JUSTICE FOR THE USE OF THE TEMPORARY NATIONAL ECONOMIC COMMITTEE
Preliminary Statement.
This statement has been prepared by the Department of Justice for use in connection with its study of patent practices in the glass container industry. It contains (1) a description of the process of manufacturing glass containers and (2) certain general economic facts with respect to the glass-container industry in the United States.
The testimony which it is expected will be elicited in the hearings before the Committee will, in many instances, relate to the various steps in the process of manufacturing glass containers and will involve the use of terms peculiar to the technology of that process. It is believed that the explanation of the process of manufacture and the diagrams and pictures contained herein may be of material assistance in following the testimony.
Process of Manufacture.
Until the turn of the century, bottles and other glass containers were made exclusively by hand-a process which was one of the most highly skilled manual arts employed in large-scale industrial production. In the first step of the hand-blown process, the glass-blower dipped the end of his PONTIL, Sometimes called the "PUNTY" (a five-foot hollow steel tube), into a tank of molten glass (Fig. 1). Rapidly revolving the pontil, he gathered amass or Goв of molten glass on its end, withdrew it from the furnace, and blew through the tube, thus forming an enlarging bubble. By swinging, twirling, and rolling the bulbous mass on a MARVER, or flat slab, the glass was worked into a hollow, pear-shaped form, hanging in suspension from the pontil. This partly shaped mass then was lowered into a hinged iron MOLD, which was closed around it, and the glass was blown up to its completed shape within the mold.
The transition from this age-old hand-blown art to automatic machine methods was quite sudden. About 1905 MICHAEL J. OWENS, a glass-blower, had developed a successful and fully automatic machine for blowing bottles (Fig. 2). It could produce more than 30,000 bottles every 24 hours as compared with the six or eight hundred which a skilled hand blower could turn out in an exhausting day's work.
![]() |
| Fig. 1. — Glass Blower at Work. Illustrates Bottle-Making Methods Prior to 1905. |
For the common varieties of glass containers the principal raw materials are sand, soda ash, and limestone, though broken glass, called CULLET, generally is added to the mixture. These materials are melted in a FURNACE or TANK (Fig. 3). The mixture of raw materials is fed into the hottest, or melting, portion of the furnace, flows slowly into a cooler section of the furnace, and thence by way of a channel to the place from which it will be fed to the bottle-making machine.
THE MACHINES
The Owens machine (see Fig. 2) employs the so-called SUCTION PROCESS. Molten glass flows from the cooler section of the tank into a shallow REVOLVING POT. Iron molds mounted on arms radiating from a central pillar revolve so that each mold, during a part of its revolution, passes over the revolving pot. At this point the mold lowers itself until the open end touches the pool of molten glass, sucks up a CHARGE of glass, rises and moves on. As it rises, a knife slides across the bottom of the mold, closing it and cutting the glass off from that in the pool. The upper part of the cavity in the mold contains a PLUG against which the charge has been forced, thus forming the opening which later becomes the neck of the bottle (Fig. 4). In this manner the charge of glass has been shaped into a preliminary form known as the PARISON, which roughly approximates the shape of the finished bottle. This mold, termed the PARISON MOLD, then divides and withdraws and another mold, called the FINISHING MOLD, Comes into place around the parison or embryo bottle which is hanging by its lip or neck. Thereupon the parison is blown into its completed shape within the finishing mold (Fig. 5). At this point in its revolution the arm passes over a CONVEYOR on which the bottle is deposited. The parison mold then swings back into operating position, to dip into the pool of molten glass once more. The machine may consist of from six to sixteen arms depending upon the type of ware to be produced and the speed of operation desired.
AUTOMATIC PROCESSES
Since 1917 the so-called GOB-FED PROCESS for the automatic production of glass containers has been used in competition with the Owens suction method. The gob-fed process requires a FOREHEARTH — a covered channel conducting the molten glass from the tank to the device which feeds the charge of glass to the molds. Equipment for the process consists essentially of two separate mechanisms: a FEEDER for introducing molten glass into the molds; and a FORMING MACHINE for shaping the bottle. Molten glass is fed from a hole or ORIFICE in the bottom of the forehearth by a mechanism which causes the molten glass to be extruded in gobs, or separate drops, with a shape roughly approximating that of the molds into which they will drop. In some types of feeders (Hartford "Single Feeder") a RECIPROCATING PLUNGER or NEEDLE operates over the orifice to control the quantity and shape of the extruded gob. Just beneath the orifice is arranged a pair of SHEARS which is operated in timed relation to the movement of the plunger so that it cuts off the suspended gob at the desired point in the cycle (Figs. 6 and 7). In some types of plunger feeders the shape of the gob is controlled by adjustments in the operation and timing of the plunger and shears. In those types of feeders known as AIR FEEDERS (Stuckey, Shawkee, et al) control over the extrusion of glass from the orifice is obtained through the use of an alternate air pressure and vacuum effect rather than by a plunger.
The forming operations in the gob-fed process are similar to the same operations in the suction process, although there are many variations in the mechanics employed. In some machines (Lynch, O'Neill) the parison and finishing molds are mounted on separate revolving systems or tables with the parison being transferred from one set of revolving molds to the adjacent revolving set by automatic means. This is the so-called TWO TABLE MACHINE (Figs . 8 and 9). In another type of machine (Hartford) a row of parison molds is in fixed position on a rectangular table (Fig. 10). The molds receive gobs distributed to them in turn from the feeder chutes or DELIVERY TROUGHS. After the parisons have been formed in these molds by an initial blowing operation they are swung in an arc and deposited in the finishing molds located on the other side of the table. The final blowing operation is accomplished in the second set of molds, and the finished bottle is placed upon a conveyor by means of an AUTOMATIC TAKE-OUT.
NARROW-NECKED BOTTLES
For NARROW-NECK containers the so-called BLOW AND BLOW process generally is employed (See Fig. 5) in which compressed air is used in each of the blowing operations. For machines used to make WIDE-MOUTH ware (Miller) the so-called PRESS AND BLOW method generally is employed (Fig. 11). In this process the first blowing operation is supplanted by a "pressing" operation in which a plunger is used to form the cavity in the parison(Fig. 12). Many articles such a tumblers and dishes are made by a PRESSING operation alone (Hartford and Miller). This method uses a plunger to perform the entire operation of forming (Fig. 13).
The completed bottles are carried by the conveyor into a LEHR or oven (Fig. 14) where they are STACKED, or arranged in closely spaced rows, on a belt which moves slowly through a long chamber or tunnel. The temperature of the bottle is lowered slowly in this oven so that internal strains in the bottle are relieved. This process of ANNEALING tends to prevent the finished product from cracking or breaking when subjected to sudden jars or rapid changes in temperature.
A schematic diagram of the manufacture of glass containers by the gob-fed process is shown in Figure 15.
Development of the Glass Container Industry.
GLASS INDUSTRY DIVISIONS
The principal divisions of the glass industry are glass containers such as bottles and jars; pressed and blown ware other than containers, including electric light bulbs, tableware, etc.; and flat glass, comprising window glass, plate glass, and similar products. The container branch of the glass industry accounts for slightly less than half of the value of all glass produced in the United States (Fig. 16). The principal products of the division include ware for commercial packers of food (28 percent); medicines and toilet preparations (24 percent); liquor ware (18 percent); milk bottles (9 percent); fruit jars and jelly glasses for household use (8 percent); and beer bottles (3 percent) (Fig. 17).
Increase in volume and value of the production of glass containers in the past thirty-nine years has been marked. In 1899 there were produced one billion one hundred million containers valued at twenty-one and one-half million dollars. By 1935 this production had increased to slightly less than six billion containers valued at one hundred twenty million dollars (Fig. 18). Preliminary figures for 1937 indicate there were produced more than seven and three-fourths billion glass containers having a value of over one hundred sixty million dollars. Despite this increase in production the number employed in the industry was greater thirty-nine years ago than in 1935. In 1899 there were 28,370 wage earners as compared with 24,044 in 1935. (See Fig. 13). Consequently there has been a corresponding increase in the average production per man employed. At the turn of the century the average production per man was about 40,000 containers per year. By 1935 this figure had increased to 245,000 (Fig. 19) .
Concomitant with this increase in volume and value of glass containers produced the number of companies in the industry has declined precipitously. In 1904 there were 155 companies producing glass containers. At the present time there are forty (Fig. 20). Of these forty, five produce more than two-thirds of the total, leaving less than one-third to the thirty-five smaller companies (Fig. 21).
SOURCES: United States Census of Manufactures for divisions of the glass industry, volume and value of output in 1899 and 1935; Survey of Current Business for preliminary 1937 data on volume and value of output; United States Census of Manufactures and Bureau of Labor Statistics Bulletin No. 441 for early data on number of wage earners employed and production per man; Glass Factory Yearbook (Directory of the Glass Trade) for number of wage earners in 1935 and number of companies; Glass Container Association for production of five largest companies.
The illustrations referred to in this article will be found on this and the following pages.
![]() |
| Fig. 2. — Owens Bottle Machine, A Fully Automatic Machine Successfully Operated in 1905. |
![]() |
| Fig. 3. — Glass Tank or Furnace With Revolving Pot, for Melting and Delivering Glass to the Owens Bottle Machine. |
![]() |
| Fig. 4. — Action of Owens Machine in Filling Mold by Suction From the Revolving Pot. |
![]() |
| Fig. 5. — Process of Forming A Bottle. in the Owens Machine the Mold is Filled by Suction and Two Successive "Blow" Operations (Similar to Those Shown at D. E. F. and G) Form the Bottle. in A Competitive Method, Called the Gob-Fed Process, Glass is Dropped Into the Molds in Gobs, As Shown in Operations A. B. and C. |
![]() |
| Fig. 7. — Hartford "Single Feeder." |
![]() |
| Fig. 8. — Lynch "10" (Forming) Machine. |
![]() |
| Fig. 9. — O'Neil (Forming) Machine. |
![]() |
| Fig. 10. — Hartford "Is" (Forming) Machine. |
![]() |
| Fig. 11. — Miller "Jpm" (Forming) Machine. |
![]() |
| Fig. 12. — Press and Blow Method of Forming A Bottle. This Process is Distinguished From the Blow and Blow Method by the Substitution of A Pressing Operation (At C) for the First Blowing Operation (At D in Figure 5.) |
| |||
| Fig. 13. — Hartford Press Machine, A Type Used for Making Articles Such As Tumblers and Tableware Which Require A Pressing Operation Only. |
| |||
| Fig. 14. — Conveyor, Stacker and Lehr. the Bottles at the Lower Right-Hand Corner Have Just Emerged From the Forming Machine and Are Being Stacked Automatically on the Conveyor Belt Which Will Carry Them Through the Long Lehr, or Oven, to Be Cooled Slowly. |
![]() |
| Fig. 15. — Diagram of Successive Operations in Automatic Manufacture of Bottle, Illustrating the Gob-Fed Process. in the Owens Suction Process the "Feeder" and "Former" Are Replaced by A Single Owens Suction Machine, Which Com-Bines the Feeder and Former Operations. the Raw Materials Are Sand, Lime, Soda Ash, and Cullet, or Broken Glass. |
![]() |
| Fig. 16. — Divisions of the Glass Industry. |
![]() |
| Fig. 17. — Products of the Glass-Container Division of the Glass Industry. |
![]() |
| Fig. 18. — Trend in Number Employed and Volume of Output. |
![]() |
| Fig. 19. — Production Per Man. |
![]() |
| Fig. 20. — Trend in Number of Companies Compared With Total Output. |
![]() |
| Fig. 21. — Output of 5 Large Companies Compared With the Remaining 35. |

























